EasyManua.ls Logo

Craftsman C950-52844-1 - Page 44

Craftsman C950-52844-1
92 pages
Print Icon
To Next Page IconTo Next Page
To Next Page IconTo Next Page
To Previous Page IconTo Previous Page
To Previous Page IconTo Previous Page
Loading...
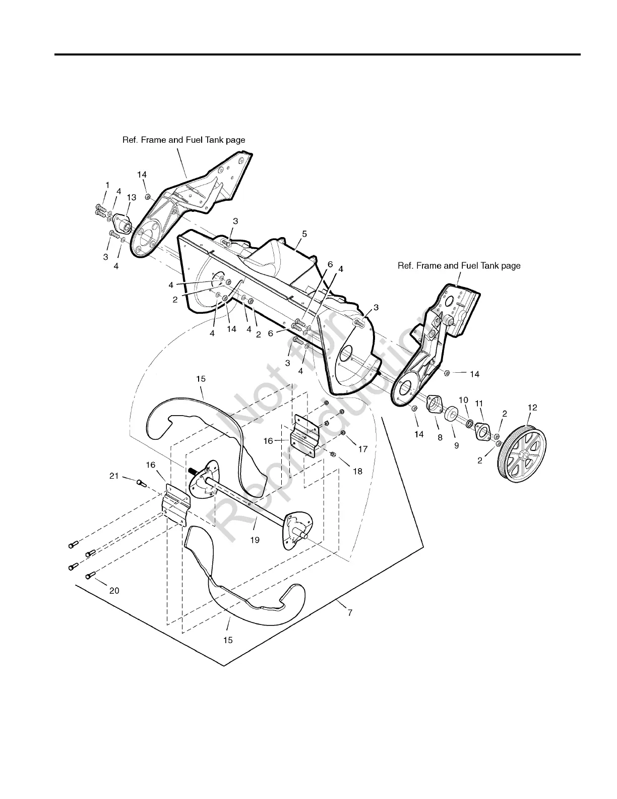
Auger Housing
NOTE: Unless noted otherwise,
use the standard hardware torque
specification chart.
Craftsman 22" Snowthrower C950-52844-1
PTS - 12
Not for
Reproduction

Table of Contents

Related product manuals