EasyManua.ls Logo

Crown Macro-Tech MA-5002VZ - Worldwide Warranty Service

Crown Macro-Tech MA-5002VZ
140 pages
Print Icon
To Next Page IconTo Next Page
To Next Page IconTo Next Page
To Previous Page IconTo Previous Page
To Previous Page IconTo Previous Page
Loading...
MA-5002VZ Service Manual
4-10 Circuit Theory
130446-1 Rev. A
©2000 Crown International, Inc.
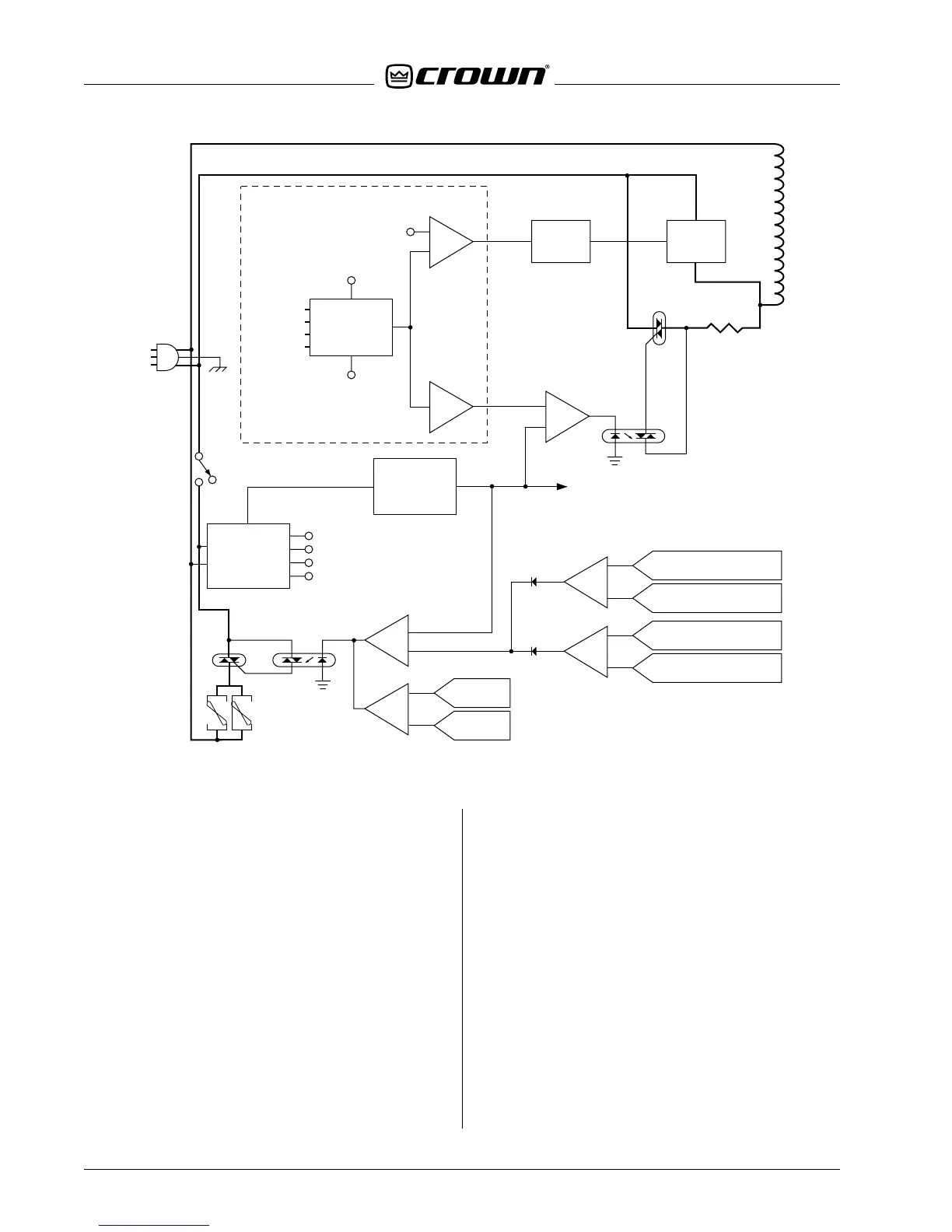
As this occurs, all op-amps in the amplifier receive
power, including front-end stages, relay power control
U111C, and standby control U111B. The output of
U111C powers relay K700 via relay drive transistor
Q700. When the output of this op-amp goes high, Q700
turns on and the relay closes. The output of U111C is
held low until the amplifier delay times out by compar-
ing a high voltage on its inverting input to an RC net-
work voltage on its non-inverting input. R329 and R330
fix a window at about +10.4VDC. At turn-on, C220 (a
10 µF cap) is fully discharged. In that first instant, it keeps
15V on the non-inverting input of U111C, keeping its
output low. As the capacitor charges it produces a
ramped rise in voltage as it charges through R327. Af-
ter about 4 seconds, the voltage between R327 and
R328 exceeds the window voltage and U111C output
goes high, in turn causing relay K700 to close.
Note: Any protection signal within the amplifier which is
used to shut it down will discharge this capacitor (C120),
immediately causing the relay (K700) to open. Upon
clearance of such a shut-down protection signal, the
charge will begin again with the same ramp effect and
same delay.
The ramped voltage on the capacitor C120 is also
sensed by Standby amplifier U111B. Its unity gain out-
put is non-inverting. It drives the Soft-start op-amp
(U701A) inverting input with its ramp to control the rate
at which the field develops in the toroid. On the non-
inverting input to U701A is the pulsed DC drive from
the U701B/Q708 pulse circuit. Jumper JP1 may be set
to 50 or 60 Hz, but must be set properly to have the
correct pulse width for soft-start. Pulse width is deter-
mined by C717 and either R777 (50 Hz) or R777 in par-
allel with R806 (60 Hz).
STANDBY
DRIVER
VOLTAGE
DIVIDER
WITH C120
+15V
-15V
-
+
+10.4V
LOW
VOLTAGE
POWER
SUPPLY
+15V
-15V
+24V
-24V
DC PULSE
WIDTH
CONTROL
POWER
ON
RELAY
DRIVE
RELAY
K700
SOFT-START
DRIVER
-
+
POSITOR
5.0 OHM
FAN
DRIVERS
-
+
TEMPERATURE CH 1
TEMPERATURE CH 2
ODEP CH 1
ODEP CH 2
CH 1 FAN
CONTROL
CH 2 FAN
CONTROL
POWER
SWITCH
TO CH 2 SOFT-START DRIVER
Portion of
Main Module
POWER
XFMR
FANS
FAULT
DC/LFI
OV/TSW
PWRLOSS
TSW1
TSW2
Figure 4.6 Soft-start and Fan Control

Table of Contents

Other manuals for Crown Macro-Tech MA-5002VZ

Related product manuals