EasyManua.ls Logo

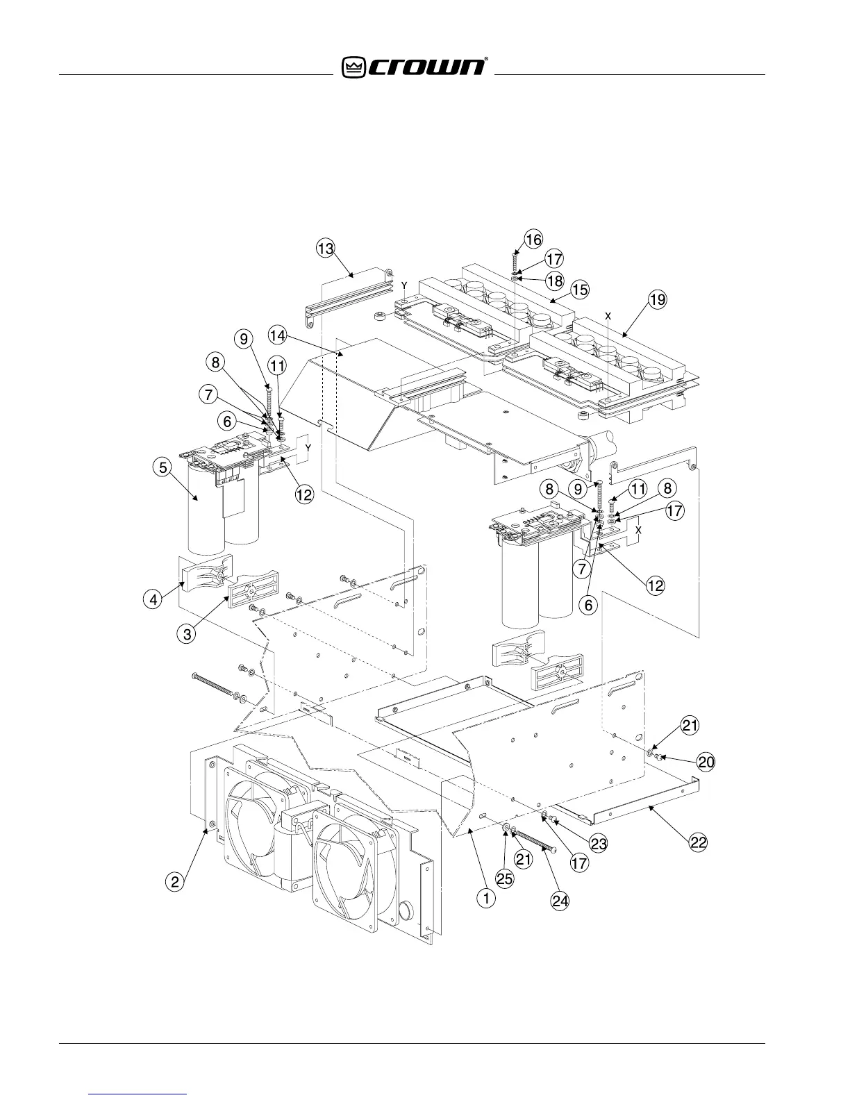
Crown Macro-Tech MA-5002VZ - Middle Chassis Assembly

Crown Macro-Tech MA-5002VZ
140 pages
Print Icon
To Next Page IconTo Next Page
To Next Page IconTo Next Page
To Previous Page IconTo Previous Page
To Previous Page IconTo Previous Page
Loading...
MA-5002VZ Service Manual 130446-1 Rev A
7-6 Exploded View Parts
©2000 Crown International, Inc.
Figure 7.3 Middle Chassis Assembly

Table of Contents

Other manuals for Crown Macro-Tech MA-5002VZ

Related product manuals