EasyManua.ls Logo

Crown Macro-Tech MA-5002VZ - Parallel Mono; Macro-Tech 5002 VZ Amplifier Block Diagram

Crown Macro-Tech MA-5002VZ
140 pages
Print Icon
To Next Page IconTo Next Page
To Next Page IconTo Next Page
To Previous Page IconTo Previous Page
To Previous Page IconTo Previous Page
Loading...
MA-5002VZ Service Manual
4-14 Circuit Theory
130446-1 Rev. A
©2000 Crown International, Inc.
is balanced, and channel 1 hot output is connected to
load hot (+), channel 2 hot output is connected to load
return ( ).
4.8.2 Parallel Mono
Parallel mono is intended for loads less than 4 ohms
(as low as 1 ohm) in a monaural amplifier configuration.
The channel 1 and 2 amplifier hot outputs must be
shorted by an external shorting buss (10 AWG or larger).
The amplifier output to the load(s) is taken from either
channels hot output to load hot, and either channels
negative output to the load return ( ). The shorting buss
must be removed prior to changing from parallel mono
to either other mode.
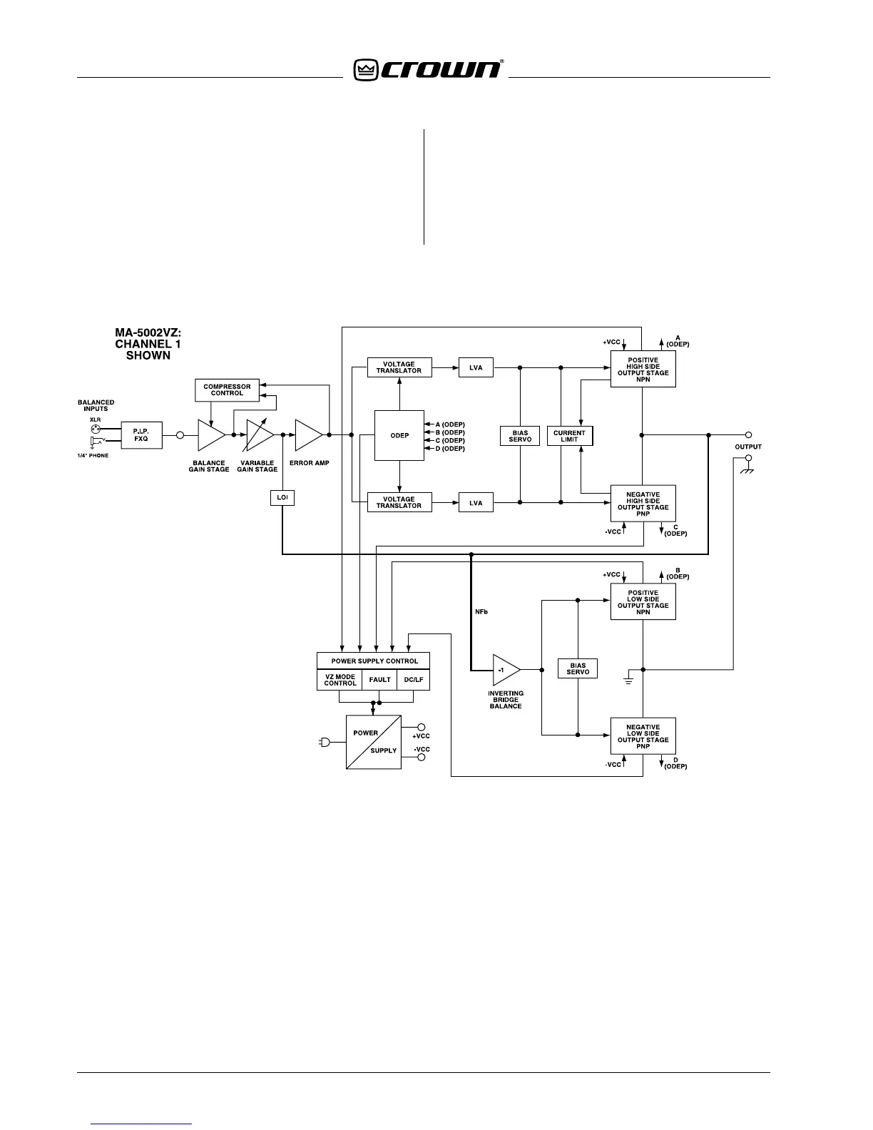
Figure 4.9 Macro-Tech 5002VZ Amplifier Block Diagram

Table of Contents

Other manuals for Crown Macro-Tech MA-5002VZ

Related product manuals