EasyManua.ls Logo

Crown Macro-Tech MA-5002VZ - VZ Supply Circuitry; VZ Power Supply & Grounded Bridge Output Topology

Crown Macro-Tech MA-5002VZ
140 pages
Print Icon
To Next Page IconTo Next Page
To Next Page IconTo Next Page
To Previous Page IconTo Previous Page
To Previous Page IconTo Previous Page
Loading...
Circuit Theory 4-5
130446-1 Rev. A
MA-5002VZ Service Manual
©2000 Crown International, Inc.
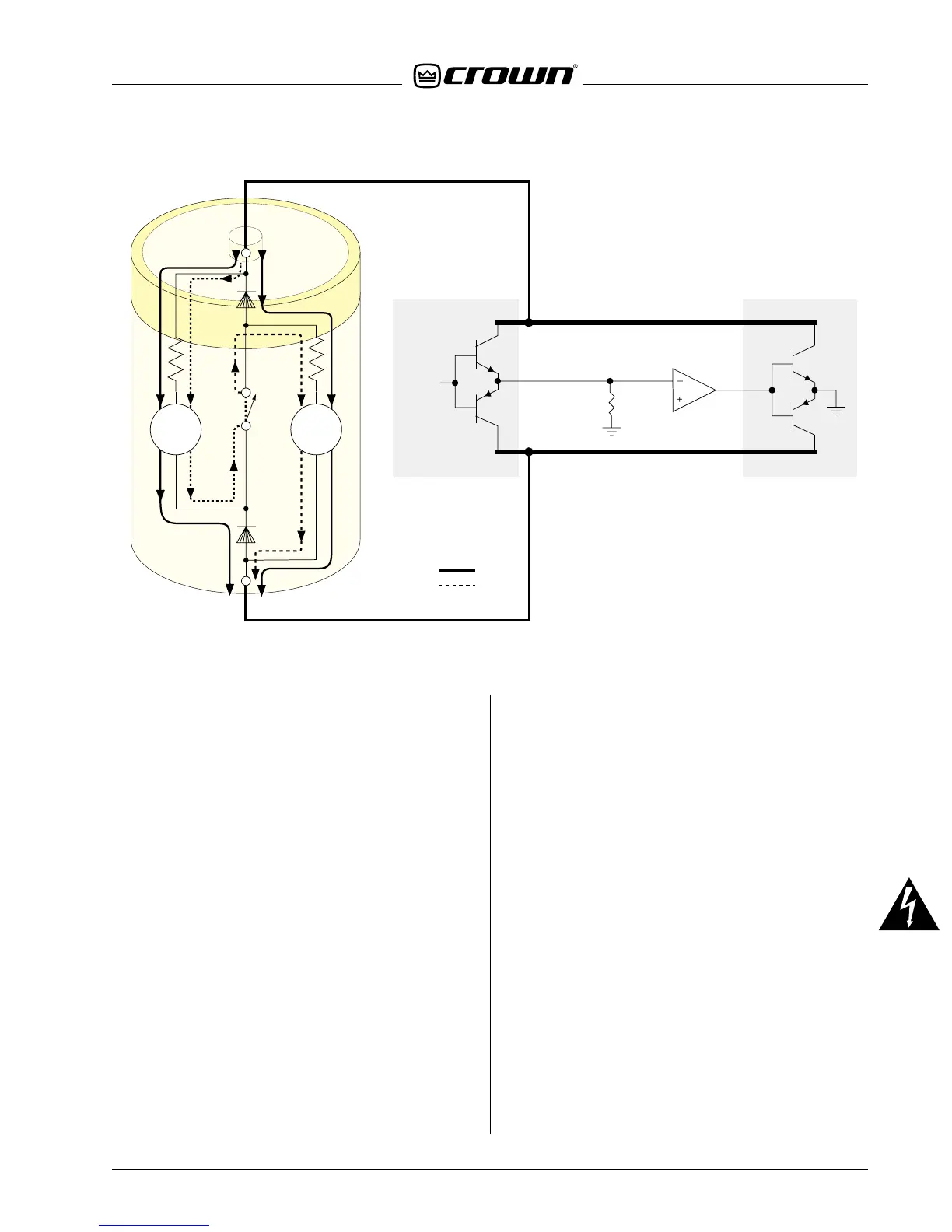
Figure 4.3 Simplified VZ Supply in Operation
+
+Vcc (Positive Rail)
-Vcc (Negative Rail)
Load
(speaker)
Input
signal
HIGH SIDE LOW SIDE
Inverting Op-amp
R
V
1
S1
R
V
2
(+V
cc
)
(-V
cc
)
Parallel
=
Series =
R = Switch Resistance
+
+
VZ Power Supply Grounded Bridge Output Topology&
ite switch) are turned on. No current will flow through
either of the control diodes (D810 and D811, as shown
for channel 1) because reverse polarity is applied
through the MOSFET switch. Since this happens to both
rectifier sources at the same time, and the negative side
of Bridge 1 is then shorted to the positive side of Bridge
2, the supplies are forced to operate in series mode.
Like two batteries, the supplies will provide double volt-
age in series mode, double current in parallel mode.
Although shipped from the factory in VZ-ODEP mode,
the user may switch modes to Lock Low voltage (high
current), or operate the supply in VZ-AUTO mode. VZ-
ODEP is similar to VZ-AUTO mode, except that in AUTO
mode, in the event ODEP is activated to protect the
amplifier, the VZ will automatically lock into low voltage
(high current) mode. While this mode of operation will
cool the amplifier more quickly in the event that the ther-
mal reserve is exhausted, it may cause voltage clip-
ping rather than ODEP limiting. Seldom will the ampli-
fier be operated locked in high current mode unless a
very low impedance is being driven.
4.3.2 VZ Supply Circuitry
For simplicity, only channel 1 circuitry will be covered
unless noted otherwise. The actual VZ switch circuit is
located on the VZ switch assembly. This assembly con-
tains the filter capacitors, MOSFET switches, and con-
trol diodes (D810 and D811). Three MOSFETs are used
in parallel for sharing the high current supplied to the
rails. Operation of this section was covered in detail,
minus circuit designations, in Section 4.3.1.
WARNING: From a service standpoint, it is critical
to note that VZ switch control circuitry is NOT ground
referenced. Any attempt to take voltage measure-
ments using a ground reference when voltage is
applied will not only be unreliable, but may be ex-
tremely dangerous. Serious damage to equipment
or personnel may occur if this is attempted.
The output of a 555 timer (U703) on the control module
determines whether the MOSFETs are switched on
(high) or off (low). This 555 device and the various
sources that feed the 555 are the things that make the
articulation work.
The master 555 trigger is controlled by the output of

Table of Contents

Other manuals for Crown Macro-Tech MA-5002VZ

Related product manuals