EasyManua.ls Logo

Culligan C100 - Heater Circuit

Culligan C100
61 pages
Print Icon
To Next Page IconTo Next Page
To Next Page IconTo Next Page
To Previous Page IconTo Previous Page
To Previous Page IconTo Previous Page
Loading...
C100 Manual
Page 14 - Revision:EU-2020-10-13
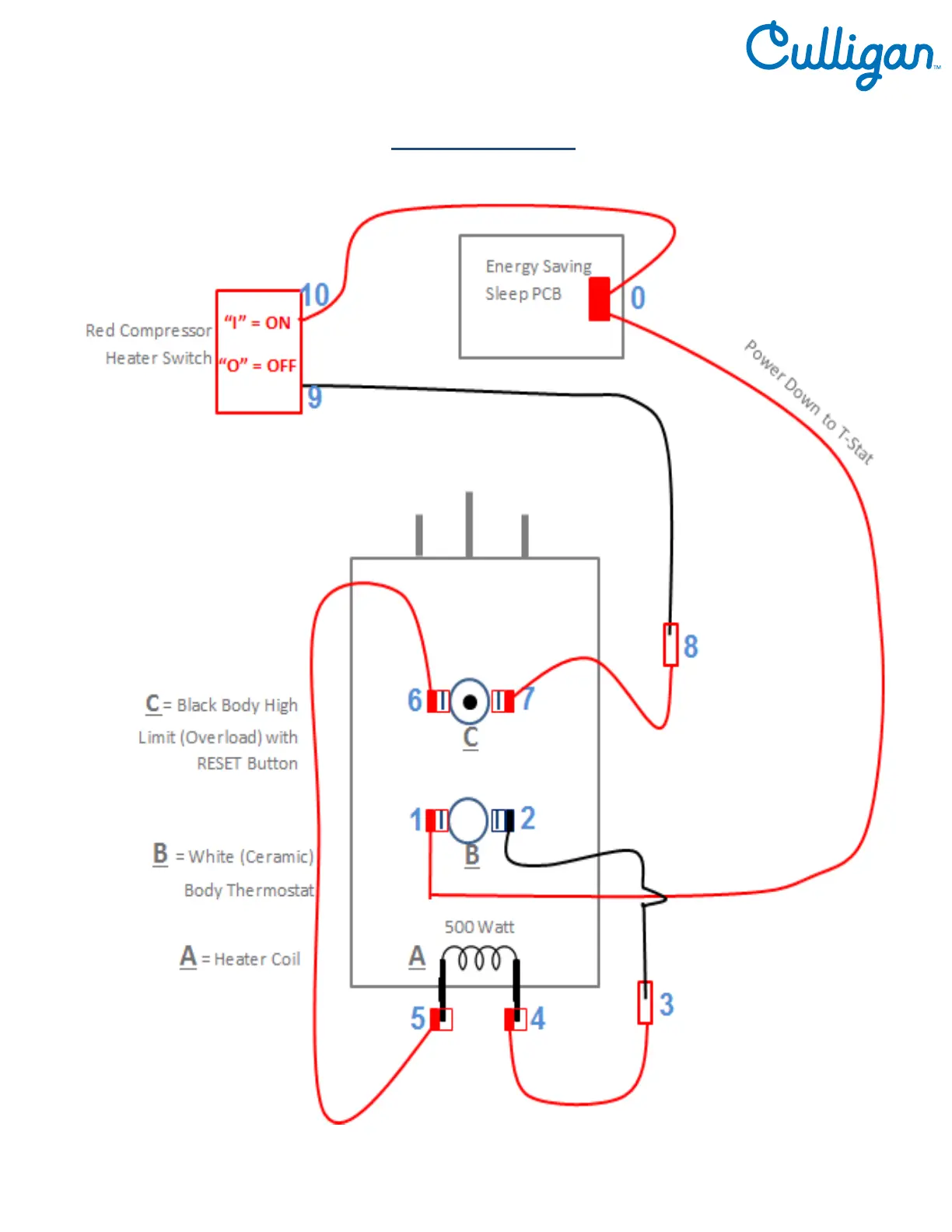
HEATER CIRCUIT

Related product manuals