EasyManua.ls Logo

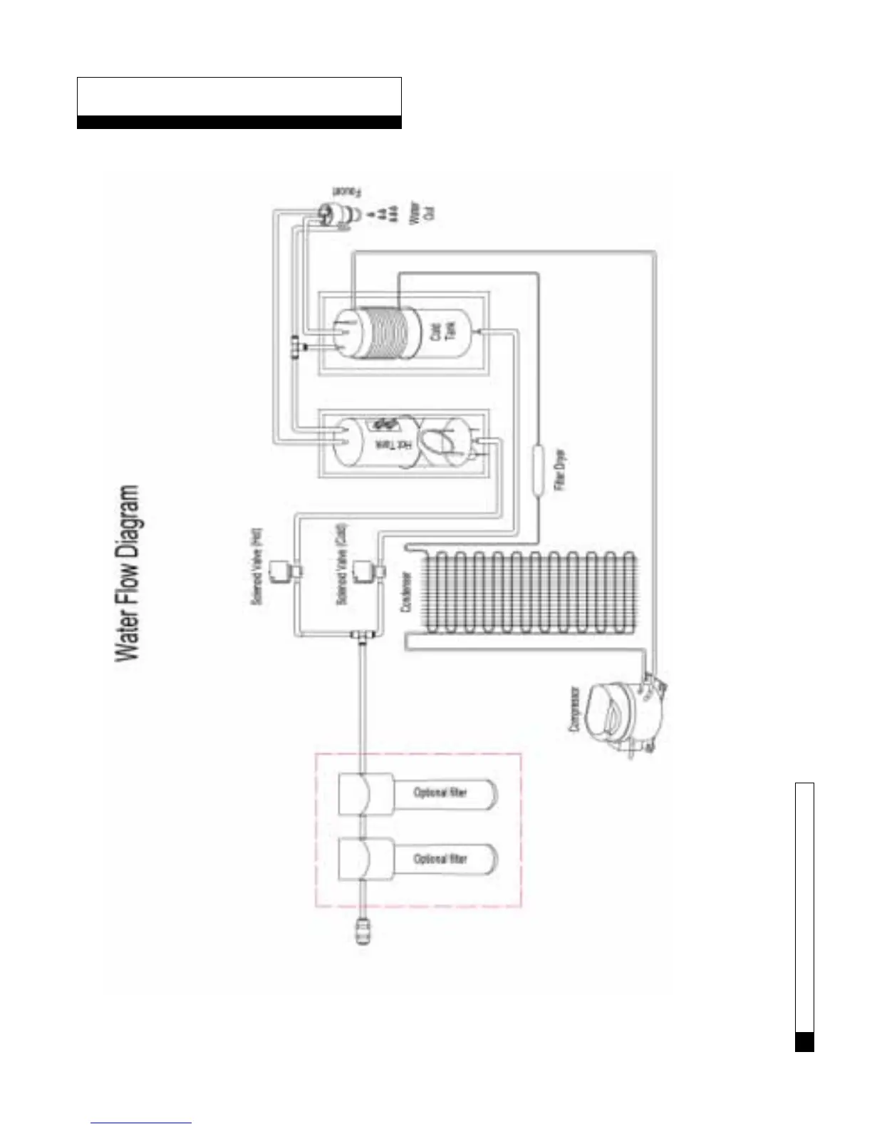
Culligan D1021870 - Main Parts Layout

Culligan D1021870
35 pages
Print Icon
To Next Page IconTo Next Page
To Next Page IconTo Next Page
To Previous Page IconTo Previous Page
To Previous Page IconTo Previous Page
Loading...
4 Culligan® All Purpose Cooler
All Purpose Cooler Layout—Hot and Cold
Figure 1. All Purpose Cooler layout.
Main Parts Layout