EasyManua.ls Logo

Cumberland Evolution 3000 - Connecting Powertrak Natural Auxiliary Switches to Evolution 3000 & 3001

Default Icon
70 pages
Print Icon
To Next Page IconTo Next Page
To Next Page IconTo Next Page
To Previous Page IconTo Previous Page
To Previous Page IconTo Previous Page
Loading...
Part No. 4801-5307 Rev 2-15 Evolution 3000 and 3001 55 of 70
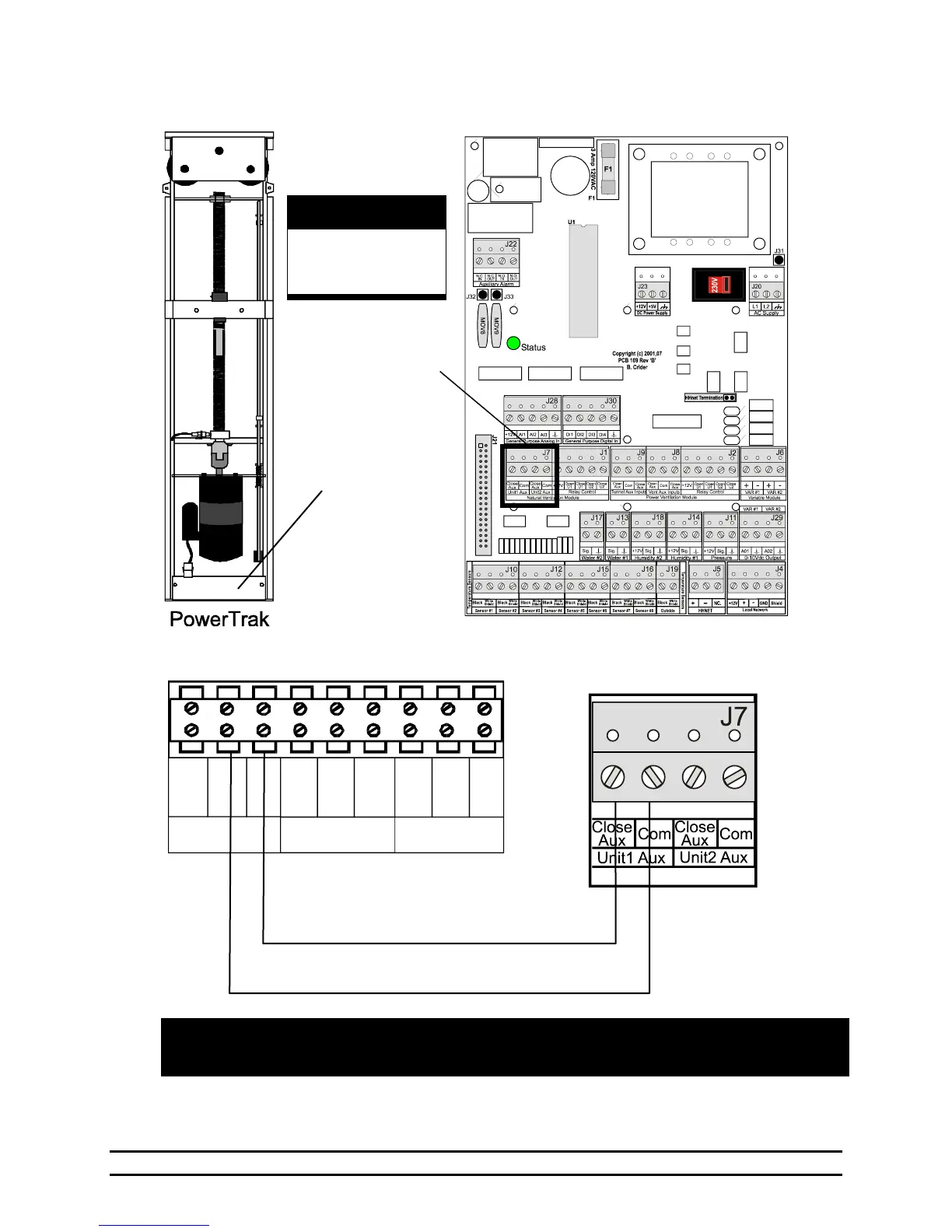
9.14 Connecting PowerTrak Natural Auxiliary Switches to Evolution 3000 & 3001
PowerTrak
AUX
SWITCH
CONTROLLER
AC IN
HOT
NEUT.
LOWER
GND.
HOT
OUT
CLOSE
IN
OPEN
IN
COM
UPPER
NOTE: If curtain is setup to pull curtain up to open, then reverse wires
connected to 'Upper' and 'Lower' terminals.
Inset A
Inset B
Inset A
Natural Auxiliary
Input
WARNING!
LOW VOLTAGE!
Keep Separate From
High Voltage Wires!
Inset B
PCB 169

Table of Contents

Related product manuals