EasyManua.ls Logo

Cushman SHUTTLE 4X - Accessory Wiring Diagram

Cushman SHUTTLE 4X
188 pages
Print Icon
To Next Page IconTo Next Page
To Next Page IconTo Next Page
To Previous Page IconTo Previous Page
To Previous Page IconTo Previous Page
Loading...
Page J-2
Repair and Service Manual
B
Read all of Section B and this section before attempting any procedure. Pay particular attention to Notices, Cautions, Warnings and Dangers.
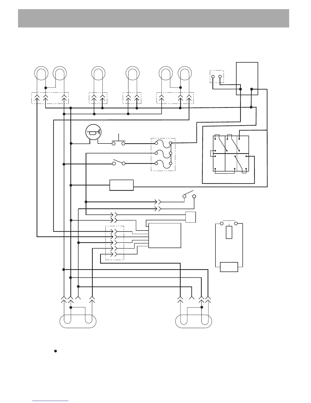
ELECTRICAL SYSTEM
Fig. 2 Accessory Wiring Diagram
Turn
Turn
Marker
MarkerHeadlight Headlight
GRN
BLK
BLK
BLK
BLK
BLK
RED
RED
BLK
YELRED
RED
BLU/WHT
GRN
Horn
YEL ORN /WHT
Fuse
Block
15 AMP
15 AMP
15 AMP
BLU/WHT BLU/WHT
Light Switch
(Part of Key Switch)
RED
RED
RED
BRN
BLK
YEL
Turn
Signal
Switch
GRN
WHT
YEL
WHTBLK
Flasher
YEL
YEL
BLU/WHT
BLK
BLK BLK
BRN
WHTBRN
WHT
WHT
RED RED
TaillightTaillight
YEL
BRN
GRN
Turn Signal
Turn Signal
+ 36V RED
For vehicles without turn signals, remove WHT wire from left rear turn signal
remove YEL wire from right rear turn signal connect BRN wire to RED
+ 12V
+
-
+
-
+
+
---
+ +
-
Indicates butt connection within wiring harness
Brake
Switch
RED
BRN
WHT
BLK
BLK
NO
C
Driver Side Passenger Side
Driver Side
Passenger Side
State of Charge Meter
Solenoid
Hour Meter
+
+
-
-
Turn
Turn
Marker
MarkerHeadlight Headlight
GRN
BLK
BLK
BLK
BLK
BLK
RED
RED
BLK
YELRED
RED
BLU/WHT
GRN
Horn
YEL ORN /WHT
Fuse
Block
15 AMP
15 AMP
15 AMP
BLU/WHT BLU/WHT
Light Switch
(Part of Key Switch)
RED
RED
RED
RED
BRN
BLK
YEL
Turn
Signal
Switch
GRN
WHT
YEL
WHTBLK
Flasher
YEL
YEL
BLU/WHT
BLK
KLBKLB
BRN
WHTBRN
WHT
WHT
DERDER
TaillightTaillight
YEL
BRN
GRN
Turn Signal
Turn Signal
+ 48V RED
For vehicles without turn signals, remove WHT wire from left rear turn signal
remove YEL wire from right rear turn signal connect BRN wire to RED
+ 12V
Indicates butt connection within wiring harness
Brake
Switch
RED
BRN
WHT
BLK
BLK
NO
C
ediS regnessaPediS revirD
Driver Side
Passenger Side
State of Charge Meter
Solenoid
Hour Meter
+
+
-
-
+
+
+
+
+
+
--
-
-
-
-
BLK
RED
RED/WHT
Inline Fuse
DC - DC
converter

Table of Contents

Related product manuals