EasyManua.ls Logo

Daewoo G25E-3 - Disassembly and Assembly; LPG Carburetor

Daewoo G25E-3
199 pages
Print Icon
To Next Page IconTo Next Page
To Next Page IconTo Next Page
To Previous Page IconTo Previous Page
To Previous Page IconTo Previous Page
Loading...
G424 Service Manual LPG Fuel System(Low Emission Version)99
Disassembly & Assembly
LPG Carburetor
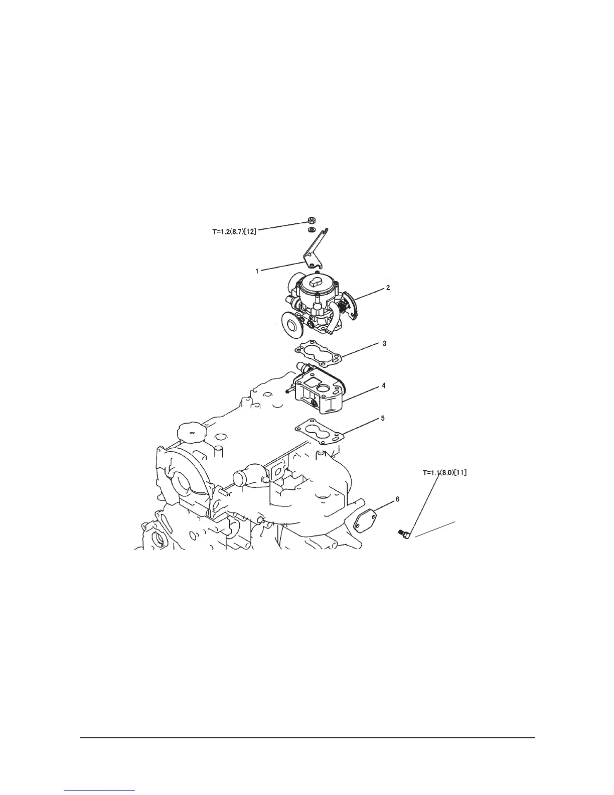
Removal and Installation of LP Gas Carburetor
Removal steps
1. Bracket - Accel Wire
2. LPG Carburetor
3. Carburetor Gasket
4. Air Governor
5. Governor Gasket
6. Fuel pump Cover
7. Bolt
6EN2143
7

Table of Contents

Other manuals for Daewoo G25E-3

Related product manuals