EasyManua.ls Logo

Daewoo G25E-3 - Electrical System

Daewoo G25E-3
199 pages
Print Icon
To Next Page IconTo Next Page
To Next Page IconTo Next Page
To Previous Page IconTo Previous Page
To Previous Page IconTo Previous Page
Loading...
G424 Service Manual Engine System30
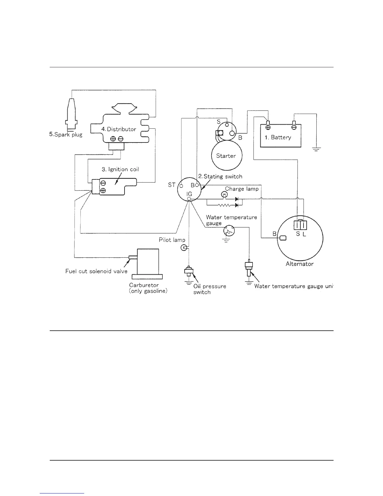
Electrical System
Stating motor is of the gear reduction type.
Distributor is of a breakerless type and employs the
ignition advancer which uses jointly centrifugal type
and vacuum type.
Wiring Diagram
(Gasoline Engine)

Table of Contents

Other manuals for Daewoo G25E-3

Related product manuals