EasyManua.ls Logo

Daewoo G25E-3 - Front Case and Oil Pan

Daewoo G25E-3
199 pages
Print Icon
To Next Page IconTo Next Page
To Next Page IconTo Next Page
To Previous Page IconTo Previous Page
To Previous Page IconTo Previous Page
Loading...
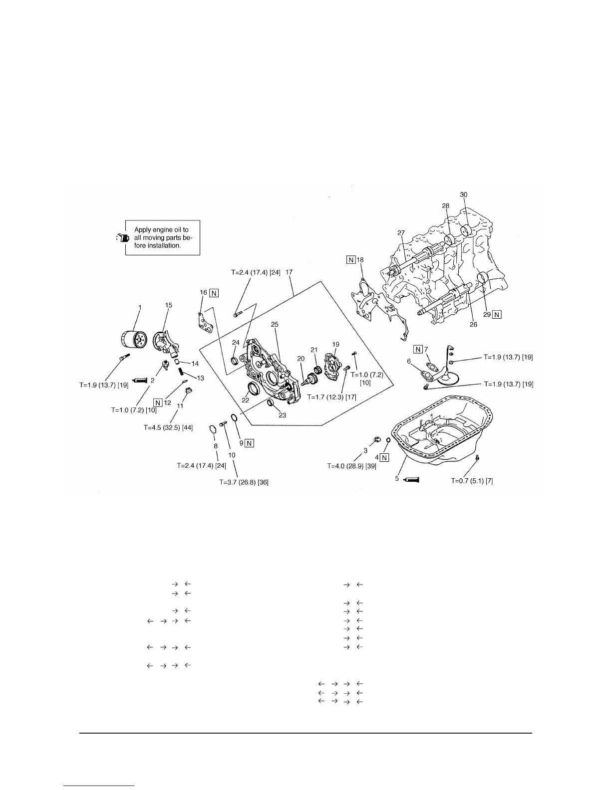
G424 Service Manual Base Engine Service Procedure145
Front Case And Oil Pan
Removal and Installation
Removal steps
1. Oil filter
2. Oil pressure switch
3. Drain plug
4. Drain plug gasket
5. Oil pan
6. Oil screen
7. Oil screen gasket
8. Plug
9. O-ring
10. Flange bolt
11. Relief plug
12. Gasket
13. Relief spring
14. Relief plunger
15. Oil filter bracket
16. Oil filter bracket gasket
17. Oil pump case assembly
18. Front case gasket
19. Oil pump cover
20. Oil pump drive gear
21. Oil pump driven gear
22. Crankshaft front oil seal
23. Oil pump oil seal
24. Counterbalance shaft oil seal
25. Front case
26. Counterbalance shaft, left
27. Counterbalance shaft, right
28. Counterbalance shaft, front bearing
29. Counterbalance shaft, rear bearing,left
30. Counterbalance shaft, rear bearing, right
H
G
G
G
F
E
D
C
B
A
D
E
E
N
M
L
K
J
I
A
B
C
6EN1898

Table of Contents

Other manuals for Daewoo G25E-3

Related product manuals