EasyManua.ls Logo

Daewoo G25E-3 - Lubrication System; General Description

Daewoo G25E-3
199 pages
Print Icon
To Next Page IconTo Next Page
To Next Page IconTo Next Page
To Previous Page IconTo Previous Page
To Previous Page IconTo Previous Page
Loading...
G424 Service Manual Lubrication System106
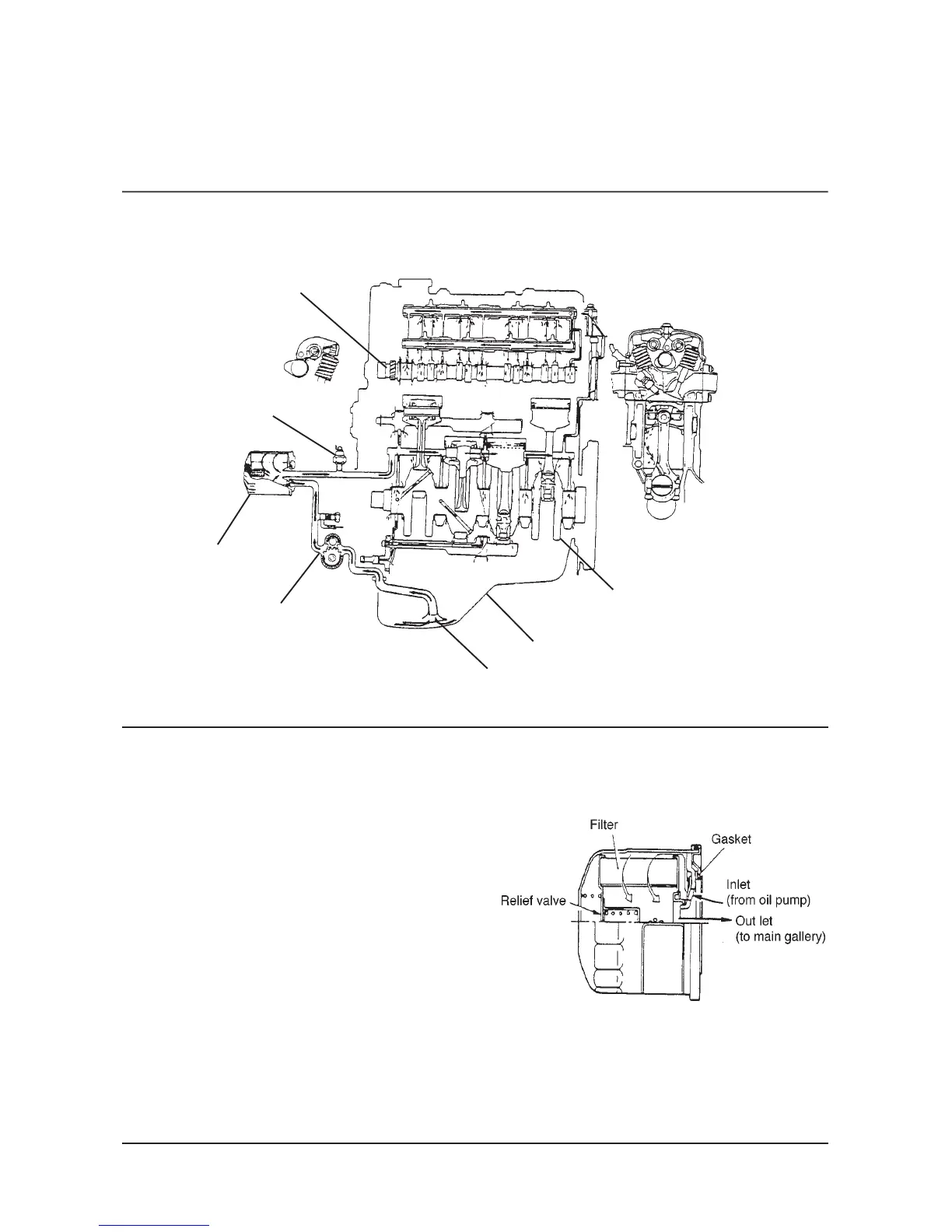
LUBRICATION SYSTEM
General Description
Lubricating system is the full-flow filtered pressure-
feed oil system and the oil reserved in the oil pan is
fed with pressure to each part of engine. After the oil
pressure is adjusted through the relief valve, the oil is
fed to the cylinder blocks and cylinder head.
In the cylinder head the oil is forcibly fed to the
camshaft journals, rocker arm pivots and further cam
surfaces.
OIl Filter
Cam shaft
Oil pressure
switch
Oil filter
Oil pump
Oil pickup
Oil pan
Crankshaft

Table of Contents

Other manuals for Daewoo G25E-3

Related product manuals