EasyManua.ls Logo

Daewoo G25E-3 - Lift Truck Operation

Daewoo G25E-3
199 pages
Print Icon
To Next Page IconTo Next Page
To Next Page IconTo Next Page
To Previous Page IconTo Previous Page
To Previous Page IconTo Previous Page
Loading...
G424 Service Manual LPG Fuel System(Low Emission Version)87
LPG FUEL SYSTEM (LOW EMISSION VERSION)
General Description
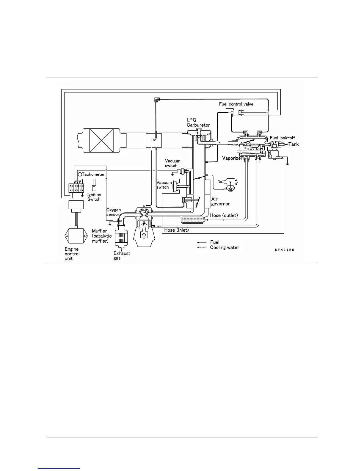
Schematic of G424 LP fuel system (low emission version)
G242 LP engine (Low Emission Version) is different
from standard G424 LP engine. To reduce emission of
exhaust gas, closed loop carburetion system and
catalytic muffler are applied to low emission version
G424 LP engine.
Catalytic muffler reduces the emission level in the
exhaust gas. In order to obtain maximum effect from
the catalyst, an accurate control of the air fuel ratio is
required. The engine controller uses an exhaust gas
oxygen sensor (EGO) in the exhaust system to send
information about exhaust gas conent to the controller.
The controller then calculates any correction that may
need to be made to the air fuel ratio. The controller
makes these corrections to the air fuel ratio by
manipulating the inlet fuel pressure to the carburetor
through the fuel control valve (FCV). Reducing the fuel
pressure leans the air/fuel mixfure. Increasing the fuel
pressure richens the air/fuel mixture.
The controller uses engine exhaust gas oxygen
sensors (EGO), engine speed (tachometer signal) and
manifold absolute pressure sensors (MAP), to
regulate the air/fuel mixtures, correcting for proper
air/fuel. The fuel control valve (FCV) meters air valve
vacuum (AVV) into the atmospheric reference side of
the secondary regulator diaphragm. The atmospheric
reference vent orifice allows for the controlled
depletion of the vacuum over the diaphragm, this
assists the dynamic response of the diaphragm.
(MAP)
Air cleaner

Table of Contents

Other manuals for Daewoo G25E-3

Related product manuals