EasyManua.ls Logo

Daewoo G25E-3 - Exhaust Manifold and Water Pump

Daewoo G25E-3
199 pages
Print Icon
To Next Page IconTo Next Page
To Next Page IconTo Next Page
To Previous Page IconTo Previous Page
To Previous Page IconTo Previous Page
Loading...
G424 Service Manual Base Engine Service Procedure130
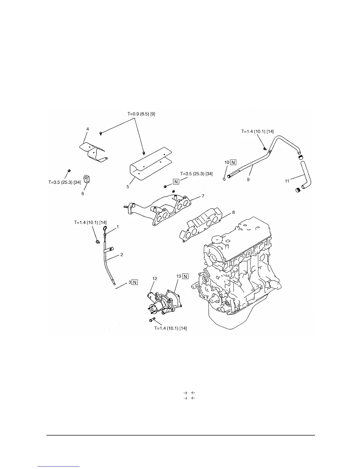
Exhaust Manifold and Water Pump
Gasoline/LPG Engine
Removal and Installation
Removal steps
1. Oil level gauge
2. Oil level gauge guide
3. O-ring
4. Heat protector A
5. Heat protector B
6. Engine hanger
7. Exhaust manifold
8. Gasket
9. Water inlet pipe
10.O-ring
11. Water hose
12. Water pump
13. Gasket
A
A
6EN1895

Table of Contents

Other manuals for Daewoo G25E-3

Related product manuals