EasyManua.ls Logo

Daewoo G25E-3 - Gasoline Fuel System; General Description

Daewoo G25E-3
199 pages
Print Icon
To Next Page IconTo Next Page
To Next Page IconTo Next Page
To Previous Page IconTo Previous Page
To Previous Page IconTo Previous Page
Loading...
G424 Service Manual Gasoline Fuel System58
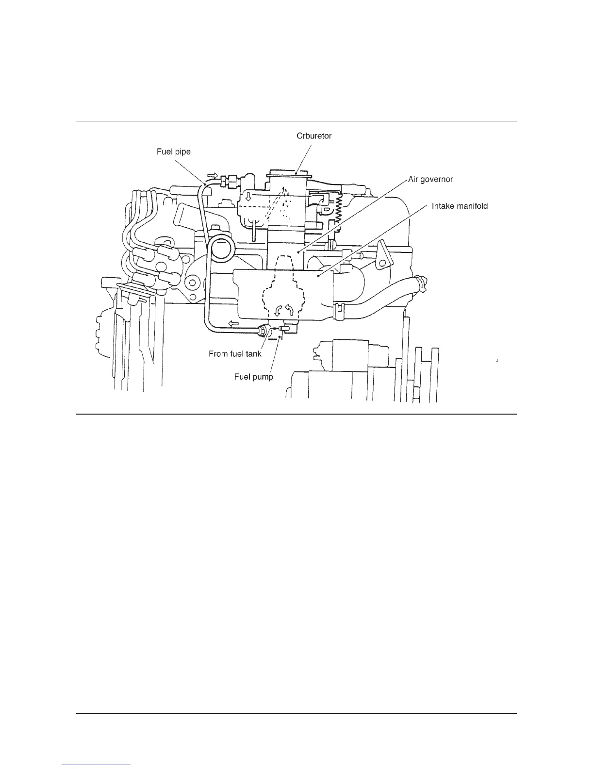
The fuel pump pulls the fuel from fuel tank. The fuel
flows through filter, which is installed on top of the fuel
tank, to carburetor where the fuel is mixed with air at
the correct ratio. This air and fuel mixture then goes to
the inlet manifold. The air and fuel mixture takes in
heat and is completely changed to vapor as it goes
through the inlet manifold to the combustion chamber
of each cylinder. The fuel pump keeps a supply of fuel
to the carburetor at all conditions of operation and
speeds of operation. The output of the fuel pump is
controlled by the needs of the engine.
GASOLINE FUEL SYSTEM
General Description

Table of Contents

Other manuals for Daewoo G25E-3

Related product manuals