EasyManua.ls Logo

Daewoo G25E-3 - Disassembly and Reassembly

Daewoo G25E-3
199 pages
Print Icon
To Next Page IconTo Next Page
To Next Page IconTo Next Page
To Previous Page IconTo Previous Page
To Previous Page IconTo Previous Page
Loading...
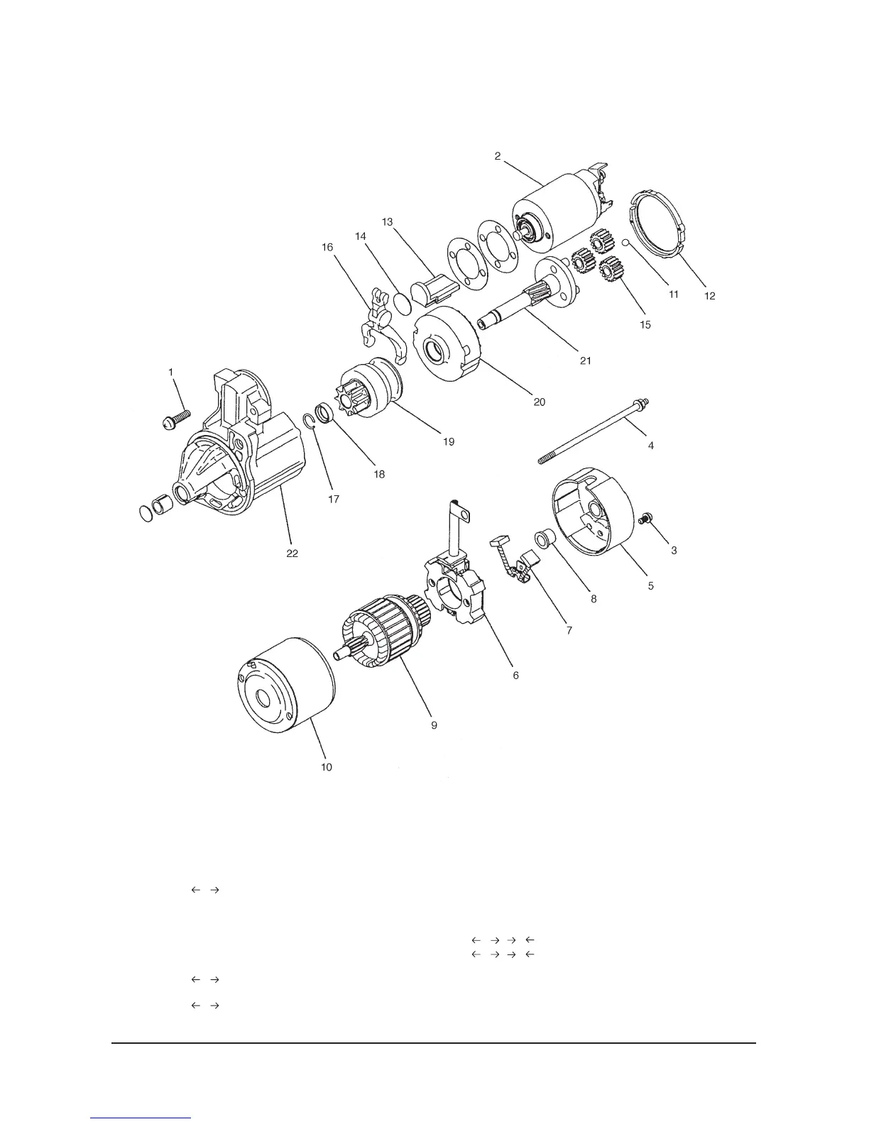
42G424 Service Manual Starting System42
Disassembly And Reassembly
Disassembly steps
1. Screw
2. Magnetic switch
3. Screw
4. Screw
5. Rear bracket
6. Brush holder
7. Brush
8. Rear bearing
9. Armature
10. Yoke assembly
11. Ball
12. Packing A
13. Packing B
14. Plate
15. Planetary gear
16. Lever
17. Snap ring
18. Stop ring
19. Overrunning clutch
20. Internal gear
21. Planetary gear holder
22. Front bracket
A
A
C
C
A
B
B
6EN1917

Table of Contents

Other manuals for Daewoo G25E-3

Related product manuals