EasyManua.ls Logo

Daewoo G25E-3 - Base Engine Service Procedure; Timing Belt

Daewoo G25E-3
199 pages
Print Icon
To Next Page IconTo Next Page
To Next Page IconTo Next Page
To Previous Page IconTo Previous Page
To Previous Page IconTo Previous Page
Loading...
G424 Service Manual Base Engine Service Procedure120
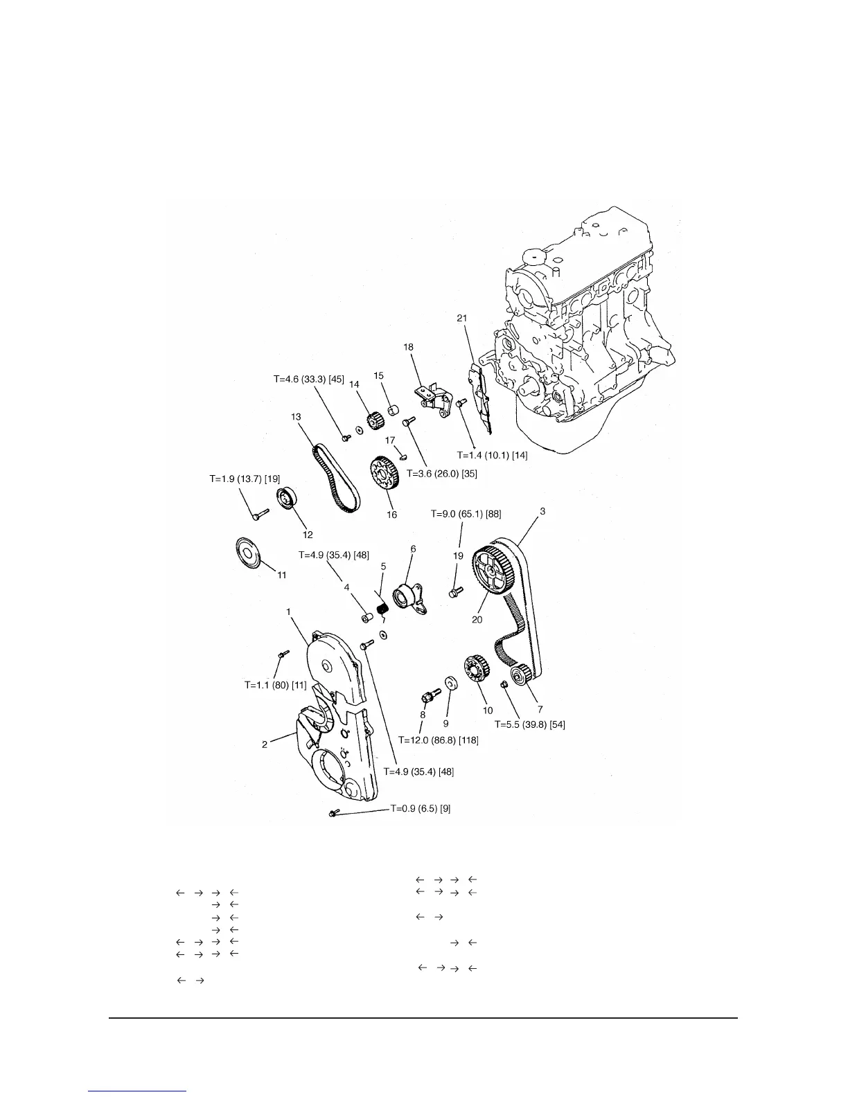
Removal steps
1. Timing belt front cover upper
2. Timing belt front cover lower
3. Timing belt
4. Tensioner spacer
5. Tensioner spring
6. Tensioner pulley
7. Oil pump sprocket
8. Crankshaft bolt
9. Crankshaft washer
10. Crankshaft sprocket
11. Flang
12. Tensioner B
13. Timing belt B
14. Counterbalance shaft sprocket
15. Spacer
16. Crankshaft sprocket B
17. Crankshaft key
18. Engine support bracket
19. Camshaft sprocket bolt
20. Camshaft sprocket
21. Timing belt rear cover
D
C
B
A
E
F
G
H
BASE ENGINE SERVICE PROCEDURE
Timing Belt
Removal and Installation
H
G
G
G
F
E
A
B
C
D

Table of Contents

Other manuals for Daewoo G25E-3

Related product manuals