EasyManua.ls Logo

Daewoo G25E-3 - Dual Fuel System (If G424 Dual Fuel Engine Equipped)

Daewoo G25E-3
199 pages
Print Icon
To Next Page IconTo Next Page
To Next Page IconTo Next Page
To Previous Page IconTo Previous Page
To Previous Page IconTo Previous Page
Loading...
G424 Service Manual LPG Fuel System82
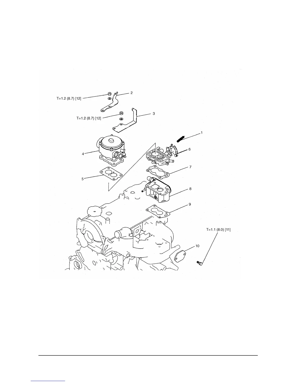
Removal steps
1. Throttle return spring
2. Accel wire assembly
3. Return spring support
4. LPG carburetor
5. Throttle chamber gasket
6. Throttle body
7. Carburetor gasket
8. Air governor
9. Air governor gasket
10. Fuel pump cover
Disassembly & Assembly
LPG Carburetor
Remove & Install LP Gas Carburetor
6EN1890

Table of Contents

Other manuals for Daewoo G25E-3

Related product manuals