EasyManua.ls Logo

Daewoo G25E-3 - Page 38

Daewoo G25E-3
199 pages
Print Icon
To Next Page IconTo Next Page
To Next Page IconTo Next Page
To Previous Page IconTo Previous Page
To Previous Page IconTo Previous Page
Loading...
G424 Service Manual Starting System37
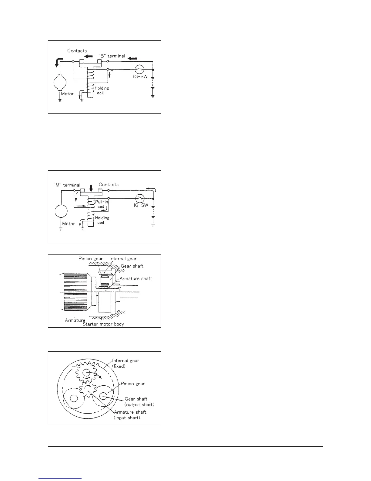
2. The plunger of the magnetic switch is then attracted, and
the pinion is pushed out by the shift lever, meshing with the
ring gear.
As a result of the movement of the plunger, the contacts of
the magnetic switch close, and, as a result, the starter is
turned by the high current from the battery directly to the B
terminal, and the engine is activated.
When the contacts closes, the current flowing to the pull-in
coil stops flowing, and the magnetic force decreases. At
this time, what prevents the pinion from being returned by
the return spring is the magnetic force of the holding coil.
When the engine starts and the pinion is caused to rotate
by the ring gear, there is a possibility of damage, and for
that reason an over-running clutch is provided so that the
rotation from the engine is not transmitted.
3. Because the contacts are still closed at the moment when
the ignition key is turned to OFF, current from the battery
flows in the reverse direction from the M terminal and
through the pull-in coil, thus offsetting the magnetic force
of the holding coil, with the result that the pinion is returned
by the return spring, and the contacts are opened.
Construction of planetary gear type reduction drive
This reduction drive consists of a gear on the front end of the
armature shaft, three pinion gears, a gear shaft that supports
three pinion gears and work as the output shaft and the
internal gear that is fixed to the starter motor body. The unit
is called the simple planetary gear set.

Table of Contents

Other manuals for Daewoo G25E-3

Related product manuals