EasyManua.ls Logo

Daikin DHG - Page 89

Daikin DHG
104 pages
Print Icon
To Next Page IconTo Next Page
To Next Page IconTo Next Page
To Previous Page IconTo Previous Page
To Previous Page IconTo Previous Page
Loading...
89

HIGH VOLTAGE!
DISCONNECT ALL POWER BEFORE SERVICING OR INSTALLING THIS
UNIT. MULTIPLE POWER SOURCES MAY BE PRESENT. FAILURE TO
DO SO MAY CAUSE PROPERTY DAMAGE, PERSONAL INJURY OR DEATH.
2
ALS
AUXILIARY LIMIT SWITCH
BC
BLOWER CONTACTOR
BM
BLOWER MOTOR
BR
BLOWER RELAY
CAP
CAPACITOR
CB
CIRCUIT BREAKER
CC
COMPRESSOR CONTACTOR
CCH
CRANKCASE HEATER
CCP
COMPRESSOR/COIL PROTECTION
CHR
CRANKCASE HEATER RELAY
CHS
CRANKCASE HEATER SWITCH
CM
CONDENSER MOTOR
COMP
COMPRESSOR
CS
COMPESSOR SOLENOID
ECON
ECONOMIZER
ES
EMERGENCY SHUTDOWN
FB
FUSE BLOCK
FPS
FREEZE PROTECTION SWITCH
FS
FLAME SENSOR
GND
EQUIPMENT GROUND
GV
GAS VALVE
HPS
HIGH PRESSURE SWITCH
HV
HIGH VOLTAGE
IGN
IGNITOR
LPS
LOW PRESSURE SWITCH
LR
LEAK DETECTION RELAY
MAT
MIXED AIR TEMPERATURE SENSOR
PB
POWER DISTIBUTION BLOCK
PLF
FEMALE PLUG/CONNECTOR
PLM
MALE PLUG/CONNECTOR
PLS
PRIMARY LIMIT SWITCH
VPT
THE STATUS LIGHT ON THE FURNACE CONTROL MAY BE USED AS A GUIDE TO TROUBLESHOOTING
THIS APPLIANCE. STATUS LIGHT CODES ARE AS FOLLOWS:
LED ACTIVITY
RED
AMBER
GREEN
BOOT - UP
ON ON ON
STEADY ON
CONTROL FAULT DETECTED
OEM TEST MODE
STANDBY NORMAL
OPERATION
NO THERMOSTAT
REQUESTS
RAPID
FLASH
- FIELD TEST MODE
CLEAR ERROR
HISTORY
1 FLASH
IGNITION RETRIES EXCEEDED
LOW FLAME
SENSE
CALL FOR HEATING
2 FLASHES
PRESSURE SENSOR NULL ERROR:
INCONSISTENT READING WITH INDUCER OFF
ID PLUG FAILURE CALL FOR COOLING
3 FLASHES
PRESSURE SENSOR SPAN ERROR:
INCONSISTENT READING WITH INDUCER ON,
OR INDUCER FAILS TO REACH TARGET
PRESSURE
CONTROL FUSE
OPEN
CONTINUOUS FAN
OPERATION
4 FLASHES HIGH LIMIT SWITCH OPEN
- -
5 FLASHES FLAME PRESENT WITH GAS VALVE OFF - -
6 FLASHES
NORMALLY CLOSED BURNER
SWITCH/AUXILLARY SWITCH OPEN
- -
7 FLASHES
GAS VALVE CIRCUIT SHORTED
- -
10 FLASHES
HIGH LIMIT SWITCH RECOVERY TIMER
EXPIRED
- -
OFF NO LED
ACTIVITY
NO 24VAC POWER
TO CONTROL
NO 24VAC POWER
TO CONTROL
NO 24VAC POWER
TO CONTROL
IGN
MODULE
1
2
B
A
OR
OR
IGN
2
3
4
5
THERM
OST
AT F
I
ELD W
I
R
I
NG++
1
STAGE
CO
O
L
I
NG/HE
ATING
2
S
T
A
GE
CO
OL
ING/HE
AT
I
NG
TB1
W1
W2
G
R
Y1
Y2
C
O
WH
GR
PK
YL
BL
OR
STAT
W
G
R
Y
C
O
TB1
W1
W2
G
R
Y1
Y2
C
O
WH
GR
PK
YL
BL
OR
STAT
W1
G
R
Y1
C
O
PU Y2
W2BR
BL
RD
REPLACEMENT WIRE MUST BE SAME SIZE
AND TYPE OF INSULATION AS ORIGINAL
(AT LEAST 10 C). USE COPPER
CONDUCTORS ONLY. USE N.E.C. CLASS 2
WIRE FOR ALL LOW VOLTAGE FIELD
CONNECTIONS.
REFERENCE DAIKIN ACCESSORY
WIRING DIAGRAM BOOKLET AND/OR
INSTALLATION MANUAL FOR WIRING OF
OPTIONAL EQUIPMENT.
TR PRIMARY (HIGH VOLTAGE)
CONNECTIONS: ORANGE WIRE
CONNECTED TO 240V TAP AT THE
FACTORY AND BLACK WIRE TO COM
TERMINAL. FOR 208V SUPPLY POWER,
MOVE ORANGE WIRE FROM 240V TAP TO
THE 208V TAP.
G (GREEN) BLOWER SPEED IS FACTORY
WIRED TO T1. Y1 (YELLOW) AND Y2
(PURPLE) BLOWER SPEEDS ARE
FACTORY WIRED TO T1 AND T3
RESPECTIVELY. W (BROWN) BLOWER
SPEEDS IS FACTORY WIRED TO T2. IF
DIFFERENT SPEEDS ARE NEEDED, SEE
IO MANUAL FOR FURTHER DETAIL ON
BLOWER SPEED TAPS.
IF REFRIGERANT LEAK DETECTION PCB
IS INSTALLED, REMOVE ES-PLM PLUG
(WITH PINK WIRE) AND CONNECT IT TO
RDS-PLF1. THEN, CONNECT RDS-PLM2
TO ES-PLF. REMOVE BM-PLM3 AND
CONNECT LR-PLM TO BM-PLF3.
3A
FAN
COOL FAN
HEAT FAN
ULN
J
8
PSS
PSG
PS VCC
PLI
NC BTS
NC BTS
PLO
GV RETURN
TR 24 VAC
TR GND
GV OUTPUT
12
11
10
9
8
7
6
5
4
3
2
1
9
8
7
6
5
4
3
2
1
12
11
10
FLAME ROD (T7)
1
2
3
3
2
1
IDC (20 VDC)
I (PWM) C
I (RPM) F
J5
G
R
W
Y
C
5
4
3
2
1
5
4
3
2
1
L2
L2
L1
GND
J3
5
43
2
1
4
2
1
4
2
1
3
3
5
4
3
2
1
THERMOSTAT++
TON
t = 180s
R1
R2
Y1
Y2
BC
A1 A2
PK
BL
CC
A1 A2
YL BL
CHS
RD
BL
RD PK
CHR
10
PK
BL
FS
CCH
BK
RD
BK
BK
CHR
CHR
BL
BL
BL
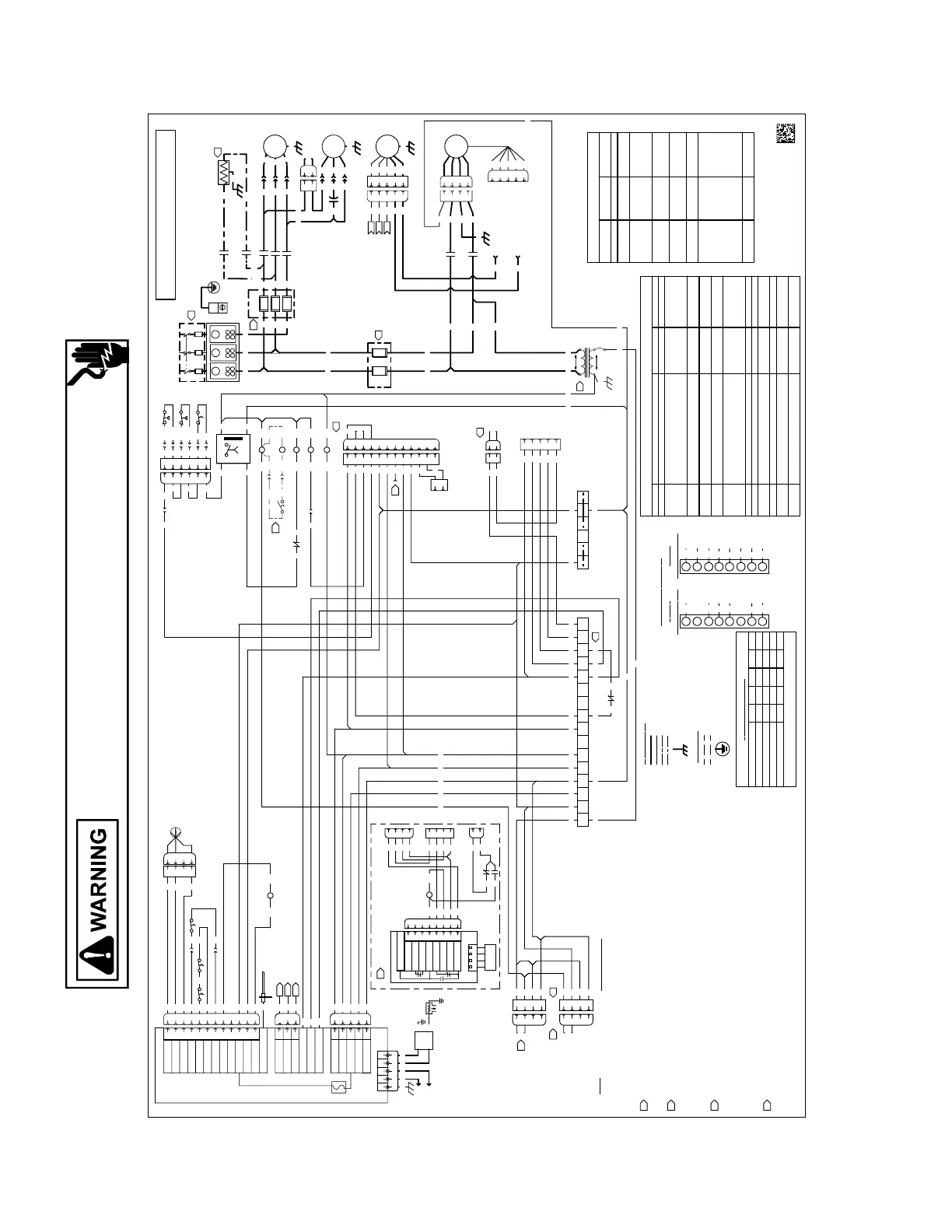
POWER AND CONTROLS WIRING DIAGRAM
DHG036-048, ULN, 3 PHASE DIRECT DRIVE
2
1
2
1
BK
GR
RD
BK
RD
N
G
L
C
N
G
L
C
J4-1
J4-2
J4-3
2
VM
GR
M
1~
J4-1
J4-2
J4-3
1
2
3
4
5
1
2
3
4
5
4
3
2
1
5
WIRE COD
E
BK
BLACK
BL
BLUE
BL/PK
BLUE WITH PINK STRIPE
BR
BROWN
GR
GREEN
GY
GRAY
OR
ORANGE
PK
PINK
PU
PURPLE
RD
RED
TN
TAN
WH
WHITE
YL
YELLOW
YL/PK
YELLOW W ITH PINK STRIPE
HIGH VOLTAGE
LOW VOLTAGE
OPTIONAL HIGH VOLTAGE
OPTIONAL LOW VOLTAGE
CHASSIS GROUND
F
I
ELD W
I
R
I
NG
F
A
CTOR
Y
WIR
I
NG
HIGH VOLTAGE
LOW VOLTAGE
EARTH GROUND
1
2
3
4
5
6
1
2
3
4
5
6
LPS
BL
BK
BL
HPS
YL/PK
BK
YL
CCP
PLF
CCP
PLM
YL/PK
BL/PK
BK
YL
BL/PK
FPS
BK
5
5
2
1
2
3
4
1
2
3
4
5
2
2
0140L07483-A
NOTES
CO
M
PONENT LEG
END
W2
Y1
O
Y2
S2
R
W1
C
S1
G DH
T1
T2
T3 T4 T5
BA C
D
3
BM
PLM3
BM
PLF3
1
2
1
2
SMK
PLM
SMK
PLF
ES
PLM
ES
PLF
BL
BL
1
2
3
4
1
2
3
4
RDS
REFRIGERANT DETECTION SYSTEM
RS
ROLLOUT SWITCH
SMK
SMOKE DETECTOR
TB TERMINAL BLOCK
TON
ON-DELAY TIMER RELAY
TR
TRANSFORMER
ULN
ULTRA LOW NOX CONTROL BOARD
VM
VENT MOTOR
VPT
VENT PRESSURE TRANSDUCER
TB1
GR
TB1
YL
WH
PU
PU
WH
TN
YL
TB2
PK
BL
PK
RD
BL
YL
BL
GR
BLBK
YL
BR
J8
PLM
RD
PLS
RS
ALS
BR
PU
PU
TN
BR
YL
OR
J4
PLM
GR
J5 PLM
YL
WH
PK
GR
DSI
J3
PLM
YL
HV1
HV2
BK RDGR
RD
WH
PU
PU
RD
RD
RD
YL
BL
BL
PK
BL
PK
GR WH
BR
PU
VPT
PLF
VPT
PLM
RD
BR
BR
BK
PK
TR
CB
GR
COM
GR
YL
BM
PLF1
WH
BR
PU
BK
GR
RD
GR
BK
YL
YL
BL
BL
RD
RD
1.
CC
L1
L2
T3
COMP
L3
T1
T2
RD
BK
L3
L1
CAP
CM
GR
GND
BR
BK
PU
BR
PU
BK
RD
OR
BK
RD
YL
L2
FB1
BK
PU
BK
CM
PLF
CM
PLM
BK
F1
F1
F1
GR
PU
M
1~
M
3~
GR
2 4
6
8
BM
GR
L1
L2
T1
T2
BC
BM
PLM2
BM
PLF2
M
1~
HV1
HV2
BK
RD
RD
BK
BK
OR
RD
BK
OR
J4
VM
PLF
VM
PLM
OR
YL
BR
BK
WH
WH
BK
OR
YL
BR
PU
YL
GR
WH
BR
BM
PLM1
TN
BR
TN
RD
RD
PK
BL
WH
PK
RD
PK
BL
PK
PB
L1
L2
L3
LINE
VOLTAGE
208-230V/3PH/60Hz
2
FB2F2
F2
OR
GV
A1 A2
BR
YL
BR
10
WH
BL
BL
A
LLOW
A
BLE SPEED T
A
PS
T1
T2
T3
T4
T5
FAN (GR) X*
-
-
-
-
COOLING STG 1 (YL) X*
X
X
X
X
COOLING STG 2 (PU)
- X X*
X
X
HEATING (BR)
- X*
X
X
X
X* DENOTES DEFAULT FACTORY WIRING.
PU
78
BR
PU
PU
4
RD
BK
OR
ECON
PLF
12
11
10
9
8
7
6
5
4
3
2
1
12
11
10
9
8
7
6
5
4
3
2
1
ECON
PLM
PU
YL
2
1
BK
PU
YL
BL
GR
WH
PK
BR
GY
MAT
PLF
BK
2
YL
YL
43
BR
YL
2
2
CS
V1 V2
YL
BL
YL
PK
1
C
RDS
PLM1
RDS
EEV_IN
EEV_OUT
CTM_OUT
R_OUT
C
C
R
1
2
3
4
5
6
7
8
1
2
3
4
5
6
7
8
5V 2
PORT
SENSOR
NOT USED
ALARM
RDS
PLF1
1
2
3
4
LR
13
BK BL
BL
BL
RD
RDS
PLM2
1
2
3
4
PK
PK
RD
BL
PK
PK
RD
BL
RD
TN
54
2
LR
BK
1
2
TN
BR
LR
PLM
REFRIGERANT DETECTION SYSTEM
TROUBLESHOOTING GUIDE
RED STATUS
LIGHT
EQUIPMENT
STATUS
CHECK
1 FLASH
STARTUP MODE
-
SLOW LED
FLASHING
NORMAL
OPERATION
-
FAST LED
FLASHING
R-32 LEAK
ALARM
LEAK DETECTED.
FIND AND REPAIR
THE SOURCE OF
THE LEAK.
LED ON
CONTINUOUSLY
DELAY MODE
MODE WILL
CLEAR AFTER 5
MINUTES.
FAST LED
FLASHING
SYSTEM
VERIFICATION
MODE
USER ACTIVATED
TEST MODE.
2 FLASHES
INTERNAL FAULT
REPLACE
CONTROL BOARD
3 FLASHES
R-32 SENSOR
COMMUNICATION
FAULT
VERIFY
REFRIGERANT
SENSOR WIRING.
REPLACE
SENSOR.
REPLACE
CONTROL
BOARD.
4 FLASHES
R-32 SENSOR
FAULT
REPLACE
SENSOR
WIRING DIAGRAM 

Related product manuals