EasyManua.ls Logo

Daikin MPS - Page 49

Daikin MPS
82 pages
Print Icon
To Next Page IconTo Next Page
To Next Page IconTo Next Page
To Previous Page IconTo Previous Page
To Previous Page IconTo Previous Page
Loading...
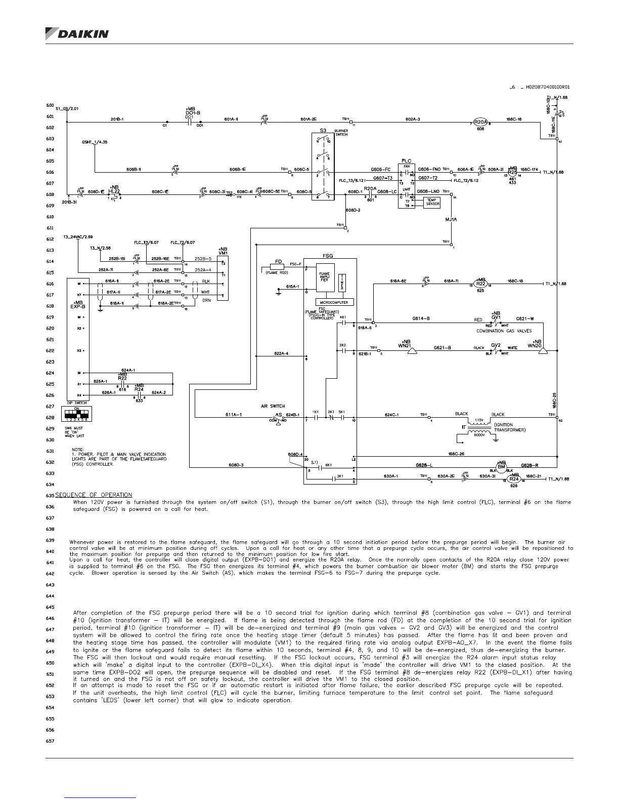
Figure 27 continued: RPS Electrical Diagram
TypICal eleCTrICal drawIngs - roofpaK
www.DaikinApplied.com 49 IM 919-3 • MICROTECH III CONTROLLER

Other manuals for Daikin MPS

Related product manuals