EasyManua.ls Logo

Daikin MPS - Page 61

Daikin MPS
82 pages
Print Icon
To Next Page IconTo Next Page
To Next Page IconTo Next Page
To Previous Page IconTo Previous Page
To Previous Page IconTo Previous Page
Loading...
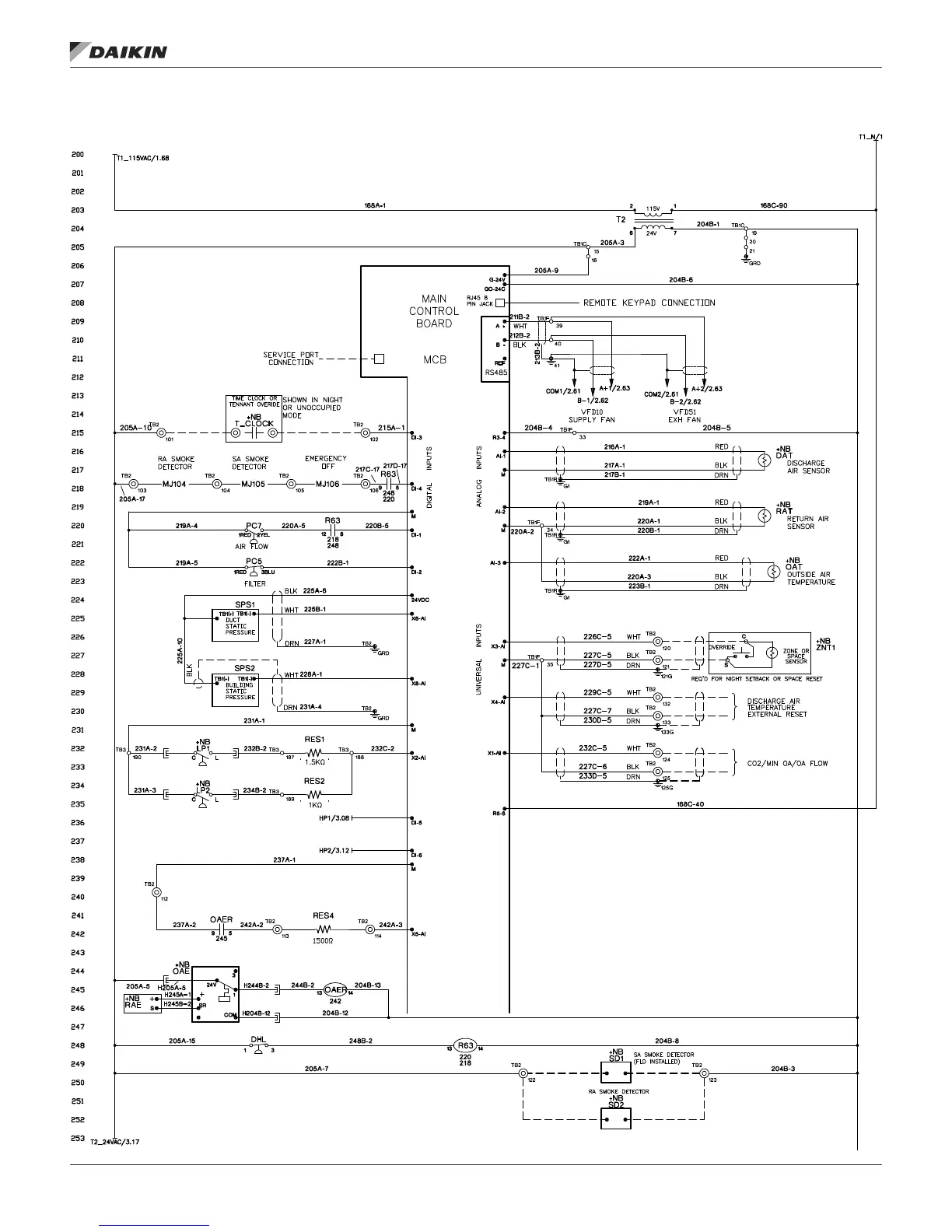
Figure 31 continued: Maverick Electrical Diagram
TypICal eleCTrICal drawIngs - MaverICK
www.DaikinApplied.com 61 IM 919-3 • MICROTECH III CONTROLLER

Other manuals for Daikin MPS

Related product manuals