EasyManua.ls Logo

Daikin MPS - Page 76

Daikin MPS
82 pages
Print Icon
To Next Page IconTo Next Page
To Next Page IconTo Next Page
To Previous Page IconTo Previous Page
To Previous Page IconTo Previous Page
Loading...
IM 919-3 • MICROTECH III CONTROLLER 76 www.DaikinApplied.com
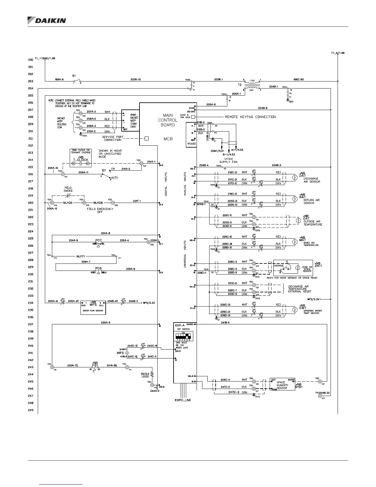
TypICal eleCTrICal drawIngs - self-ConTaIned
Figure 33 continued: Self-Contained Electrical Diagram

Other manuals for Daikin MPS

Related product manuals