EasyManua.ls Logo

Daikin RY50G - Page 229

Daikin RY50G
244 pages
Print Icon
To Next Page IconTo Next Page
To Next Page IconTo Next Page
To Previous Page IconTo Previous Page
To Previous Page IconTo Previous Page
Loading...
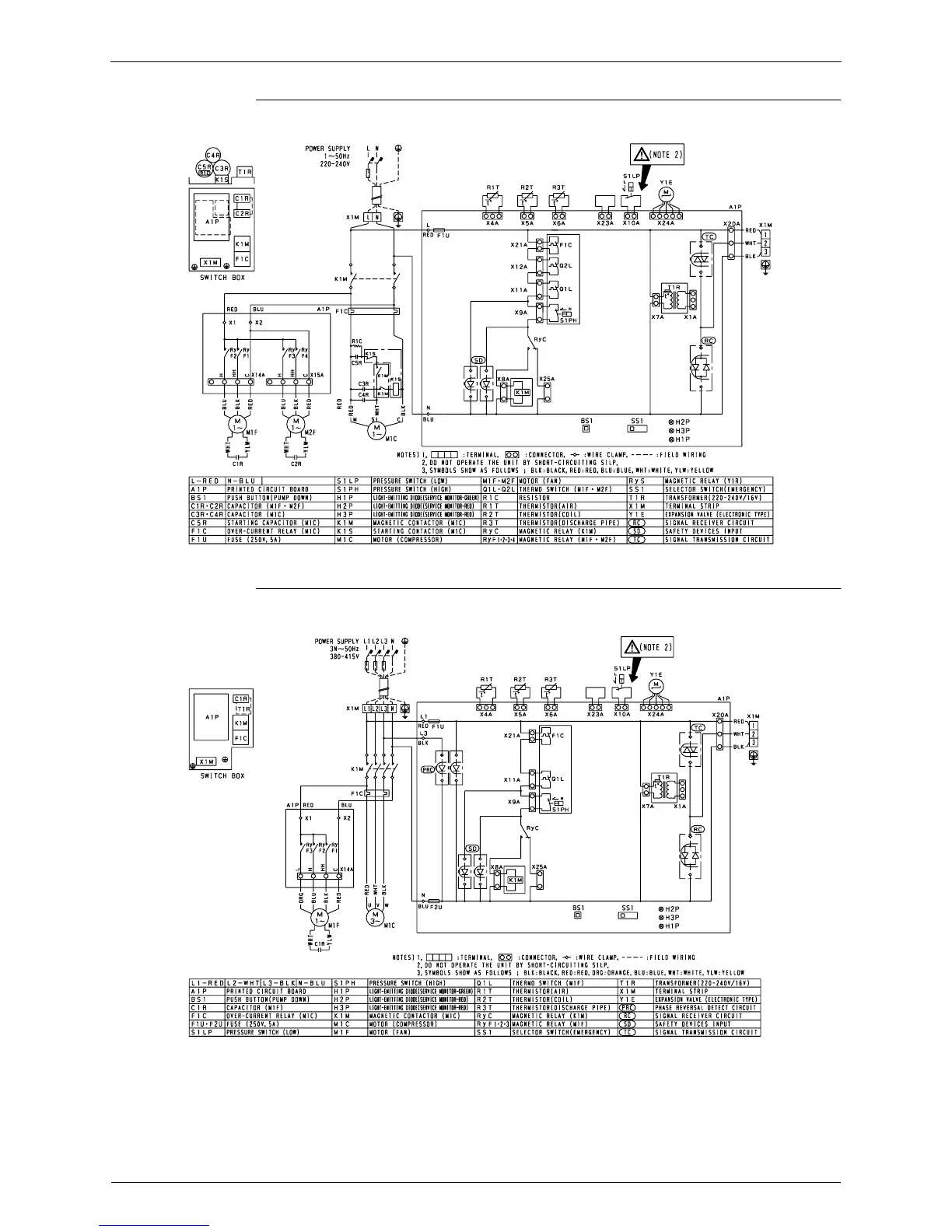
Wiring Diagram Si-71A
218 Appendix
R100KV1
R71KY1
DU428-5349E
DU427-5401B

Table of Contents

Related product manuals