EasyManua.ls Logo

Danfoss VLT 2800 - Connection Examples

Danfoss VLT 2800
166 pages
Print Icon
To Next Page IconTo Next Page
To Next Page IconTo Next Page
To Previous Page IconTo Previous Page
To Previous Page IconTo Previous Page
Loading...
Connection examples
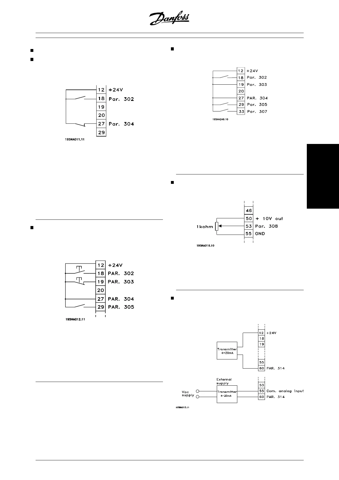
Start/stop
Start/stop using terminal 18 and coasting stop using
terminal 27.
Par. 302 Digital input = Start [7]
Par. 304 Digital input = Coasting stop inver-
ted [2]
For Precise start/stop the following settings are made:
Par. 302 Digital input = Precise start/stop [27]
Par. 304 Digital input = Coasting stop inver-
ted [2]
Pulse start/stop
Pulse start using terminal 18 and pulse stop using ter-
minal 19. In addition, the jog frequency is activated via
terminal 29.
Par. 302 Digital input = Pulse start [8]
Par. 303 Digital input = Stop inverted [6]
Par. 304 Digital input = Coasting stop inver-
ted [2]
Par. 305 Digital input = Jog [13]
Speed up/down
Speed up/down using terminals 29/33.
Par. 302 Digital input = Start [7]
Par. 303 Digital input = Freeze reference [14]
Par. 305 Digital input = Speed up [16]
Par. 307 Digital input = Speed down [17]
Potentiometer reference
Voltage reference via a potentiometer.
Par. 308 Analog input = Reference [1]
Par. 309 Terminal 53, min. scaling = 0 Volt
Par. 310 Terminal 53, max. scaling = 10 Volt
Connection of a 2-wire transmitter
Connection of a 2-wire transmitter as feedback to ter-
minal 60.
Par. 314 Analog input = Feedback [2]
Par. 315 Terminal 60, min. scaling = 4 mA
Par. 316 Terminal 60, max. scaling = 20 mA
MG.27.E2.02 - VLT is a registered Danfoss trademark 55
Installation

Table of Contents

Other manuals for Danfoss VLT 2800

Related product manuals