EasyManua.ls Logo

Danfoss VLT 5000-P - Page 153

Danfoss VLT 5000-P
158 pages
Print Icon
To Next Page IconTo Next Page
To Next Page IconTo Next Page
To Previous Page IconTo Previous Page
To Previous Page IconTo Previous Page
Loading...
VLT is a registered Danfoss trademark
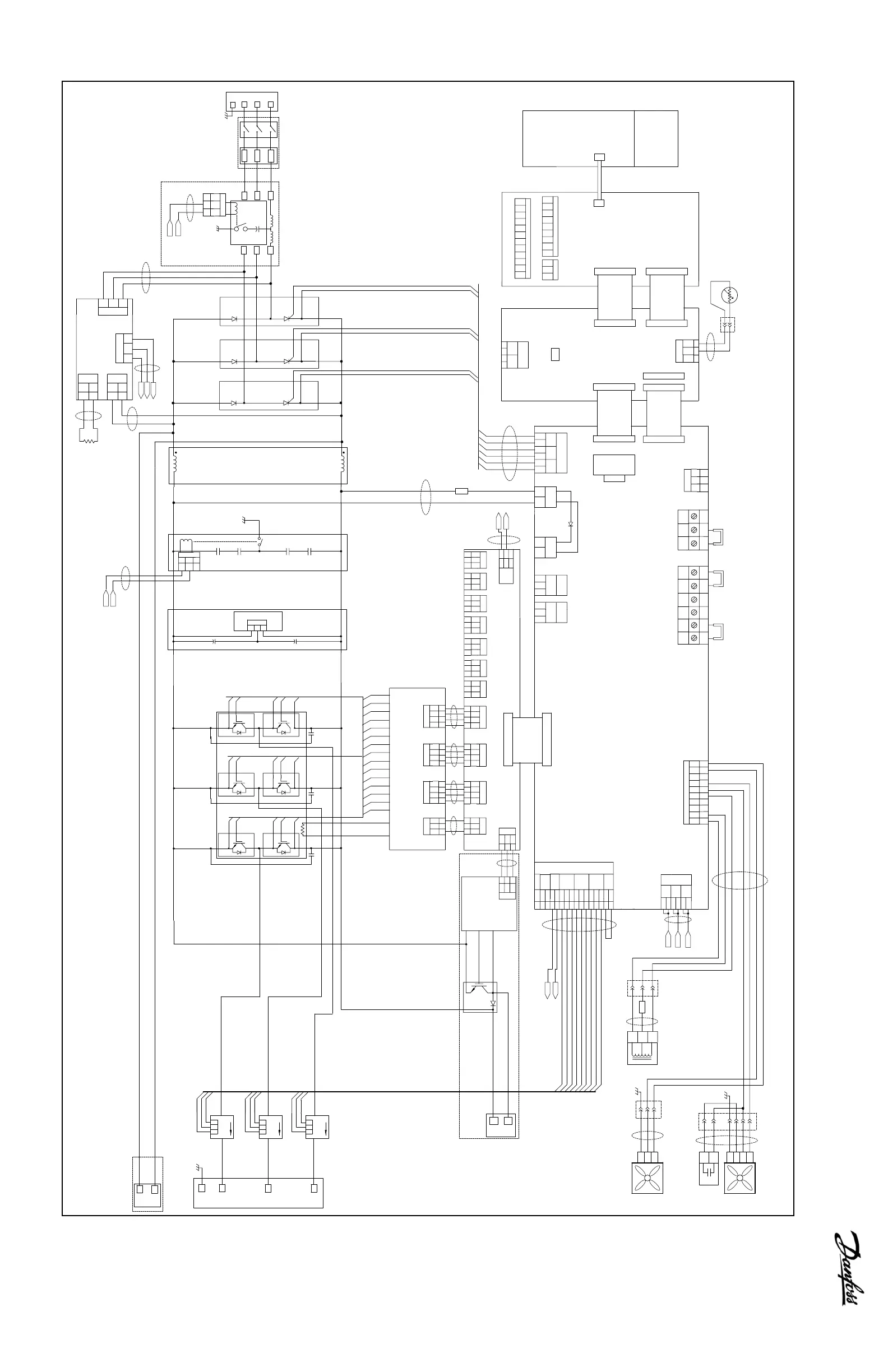
9-9
D1 380-500 VAC
DC INDUCTOR
GND
L1
R
MK105
RS-485
MK100
ANALOG I/O
MK101
DIGITAL INPUTS
605554535045423913120504
696861
333229272019181716
1
MK103
28
1
28
MK104
CONTROL CARD
LCP1
PANEL
CONTROL
DISPLAY
S
L2
T
L3
-
M
+
IU
IV
+
M
-
GND
U
V
W
-
M
IW
+
MAINS
IW'
IV'
IU'
SENSORS
CURRENT
T
S
R
SCR
GATE DRIVER
R
S
T
R'
RFI OPTION
S+ -
UN
UP
VN
VP
WN
WP
-
+
-
+
S'
T'
R
S
T
-SCR
+SCR
POWER CARD
SOFTCHARGE BOARD
DISC/FUSE OPTION
R S
T
INTERFACE CARD
NCNOC
A
-DC
AUX 1
B
+DC
+DC
-DC
CNONC
AUX 2
HEATSINK NTC
+
-
HF CARD
+
-
P400 CC
LEGACY
TEST CONNECTOR
C
NC
NO
(DISABLE MAINS RECTIFIER)
105
106
104
EXTERNAL BRAKE
TEMP SWITCH
HF SW
VDD
RL2
+
-
AUX FAN
EXT 24V
RELAY
RELAY
FANS
R' S'
T'
R'
S'
T'
-
+
-
+
DC CAP BANK
ECONOPACK+ MODULE
CURRENT
SCALING
CARD
L1
L2
L1
L2
CC FAN
MK101
MK104
MK103
MK105 MK102
MK110
MK104
MK100
FK100
-
+
35
36
101
AUX_T
T
103
AUX_S
100
S
102
1
2
34
5
6
X2
X1
L1
L1
AUX_T
AUX_S
AUX_T
AUX_S
MK103
FK102
FK103
MK100
MK105
FK100
FK101
MK107
MK106
MK102
MK111
A
-DC
C
MK400
91
92
93
94
95
98
97
96
89
88
FANO
VDD
UDC+
UDC-
MK100
MK1
C
B
A
BAL CKT
FK1
FK2
FK3
FK4
FK5
FK6
MK1
MK1
MK2
A
C
A
B
RS+
RS-
MK3MK4
NTC
-
+
GATE RESISTOR CARD
EUP1
CUP1
GUP1
GLO1 ELO1
OUT
IN
MK103
NTC
MK104
MK650
MK450
MK250
MK350
PRE TEST
MK550
GATE DRIVE CARD
RFI SW
RL2
VDD
MK101
MK850
MK750
MK103
U
MK102
MK106
MK100
MK105
MK109
EUP2
GUP2
CUP2
GLO2
ELO2
EUP3
GUP3
CUP3
GLO3
ELO3
HF SWITCH
RFI SWITCH
HF SWITCH
RFI SWITCH
HS NTC
18 PULSE NTC
FU1
FU2
FU3
1
2
1
2
TMP_P
TMP_N
RFI/HF SWITCH
ON
1 2
PCA1
TH1
CBL1
CBL2
CBL3
CBL4
PCA2
PCA3
CN1
CBL5
CBL5
PCA5
PCA6
PCA8
PCA11
L1
CBANK1
SCR1
SCR2
SCR3
IGBT1
C2
C3
C4
L2
L3
L4
R1
SW1
RFI CARD
BRAKE OPTION
UDC-
UDC+
MK1
BRAKE GATE
RES CARD
GATE
EM
COL
BRAKE IGBT
EXT BRAKE
R+
82
81
R-
RESISTOR
IGBT3
+DC
PCA9
PCA12
PCA13
F2
DOOR FAN
1
1
3
2
3
2
CN4
GND
FAN-
FAN+
FAN CAPACITOR
HEATSINK
CN3
5
4
3
1
2
4
5
6
6
2
1
4
C1
HEATSINK
3
2
1
3
2
1
F1
FAN
1
1
2
3
2
3
CN2
FU4
COM
FAN TRANSFORMER
HEATSINK/DOOR
1
TR1
IN
OUT
3
2
CBL6
CBL7 CBL7
CBL13
CBL14
CBL8
CBL9
CBL10
CBL11
CBL12
CBL15
CBL16
CBL17
CBL20
CBL21
CBL23
CBL22
CBL5
CBL15
CBL24
CBL9
CBL25
CBL26
PCA4
CBL18
CBL19
LOAD SHARE OPTION
TB3
TB1
TB2
TB4
S201
FU5
1
29
1
29
1
23
11
29
29
43
1
2
4
1
3
36
2
51
4
1
29
43
1
2
13
TMP
GND
3
21
6
5
4
3
2
1
3
5
41311
12 9
8
1
6
10
5
8
3
6
1
GND
VPOS
SENS
DET
IU1
VNEG
VPOS
IV1
VNEG
VPOS
IW1
VNEG
10
11
1
2
3
4
5
6
7
8
16
14
15
12
13
9
CUR
1
15
32
1
2
3
3
2
1
GUP
GUN
EUP
EUN
1
5
610
EVP
GVN
GVP
1
6
5
V
EVN
10
EWP
GWN
GWP
1
6
5
W
EWN
10
GLO1
EUP1
ELO1
U
GUP1
4
5
8
1
MK100
V
MK100
GUP2
4
EUP2
GLO2
8
5
ELO2
1
W
MK100
GUP3
4
EUP3
GLO3
8
5
ELO3
1
TMP+
TMP-
NTC
1
2
3
NTC1
NTC2
NTC
1
2
3
EUN
GUN
1
3
2
GUN
GUP
EUP
2
GUP
1
3
GVN
EVN
2
GVN
1
GVP
EVP
GVP
3
1
2
3
GWN
EWN
2
GWN
1
GWP
EWP
GWP
3
1
2
3
BRK
BRN
GBP
2
1
3
G2
E1/C2
4
6
1
1
5
6
BRK
BRK
BRC
BRN
GBP
E2
10-1

Table of Contents

Related product manuals