EasyManua.ls Logo

Danfoss VLT 5000-P - Page 39

Danfoss VLT 5000-P
158 pages
Print Icon
To Next Page IconTo Next Page
To Next Page IconTo Next Page
To Previous Page IconTo Previous Page
To Previous Page IconTo Previous Page
Loading...
2-7
VLT is a registered Danfoss trademark
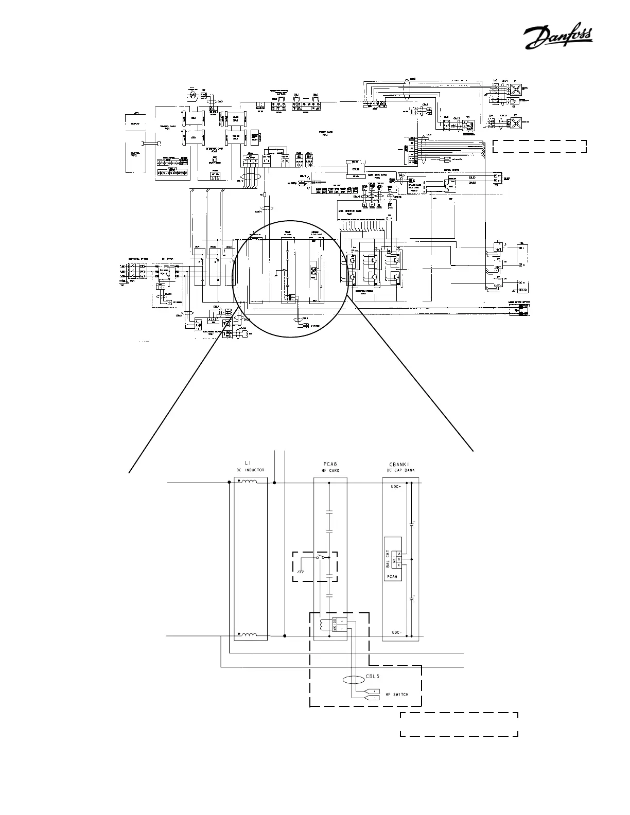
Figure 2-5. Intermediate Section
No RFI relay on 525 - 690V
units
E1 units have 2 door fans.

Table of Contents

Related product manuals