EasyManua.ls Logo

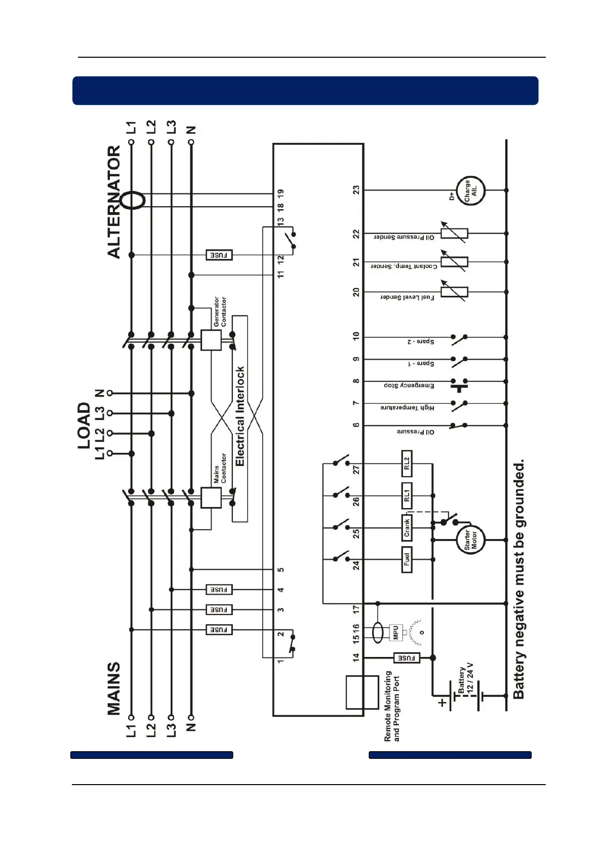
Datakom DKG-109 - 15. CONNECTION DIAGRAM

Datakom DKG-109
46 pages
Print Icon
To Previous Page IconTo Previous Page
To Previous Page IconTo Previous Page
Loading...
DKG-109 User Manual V-27 (23.08.2013)
- 46 -
DATAKOM Electronics Ltd.
Tel: +90-216-466 84 60 Fax: +90-216-364 65 65 e-mail: datakom@datakom.com.tr http: www.datakom.com.tr
15. CONNECTION DIAGRAM

Related product manuals