EasyManua.ls Logo

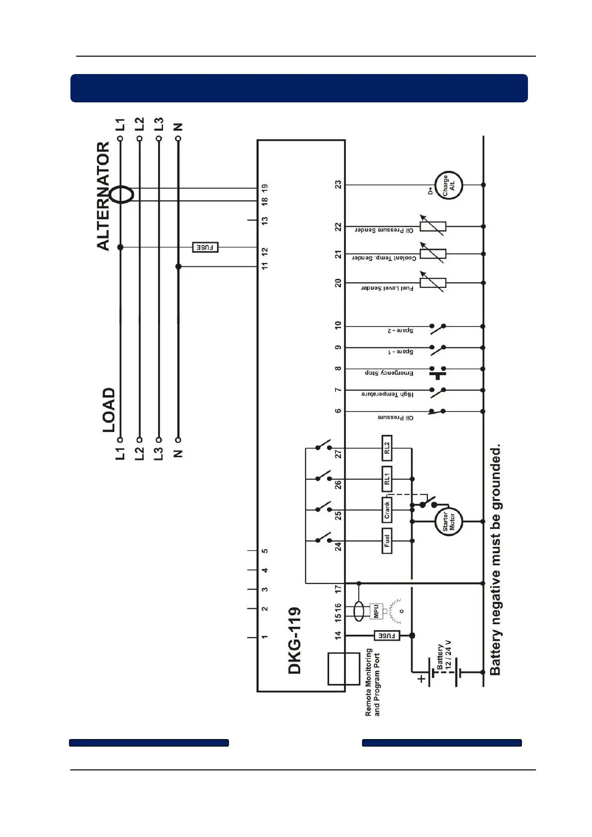
Datakom DKG-119 - Connection Diagram

Datakom DKG-119
45 pages
Print Icon
To Previous Page IconTo Previous Page
To Previous Page IconTo Previous Page
Loading...
DKG-119 User Manual V-27 (20.04.2012)
- 45 -
DATAKOM Electronics Ltd.
Tel: +90-216-466 84 60 Fax: +90-216-364 65 65 e-mail: datakom@datakom.com.tr http: www.datakom.com.tr
15. CONNECTION DIAGRAM