EasyManua.ls Logo

Datalogic SG4 BASE - Included Accessories

Datalogic SG4 BASE
73 pages
Print Icon
To Next Page IconTo Next Page
To Next Page IconTo Next Page
To Previous Page IconTo Previous Page
To Previous Page IconTo Previous Page
Loading...
SG4 BASE
52/73
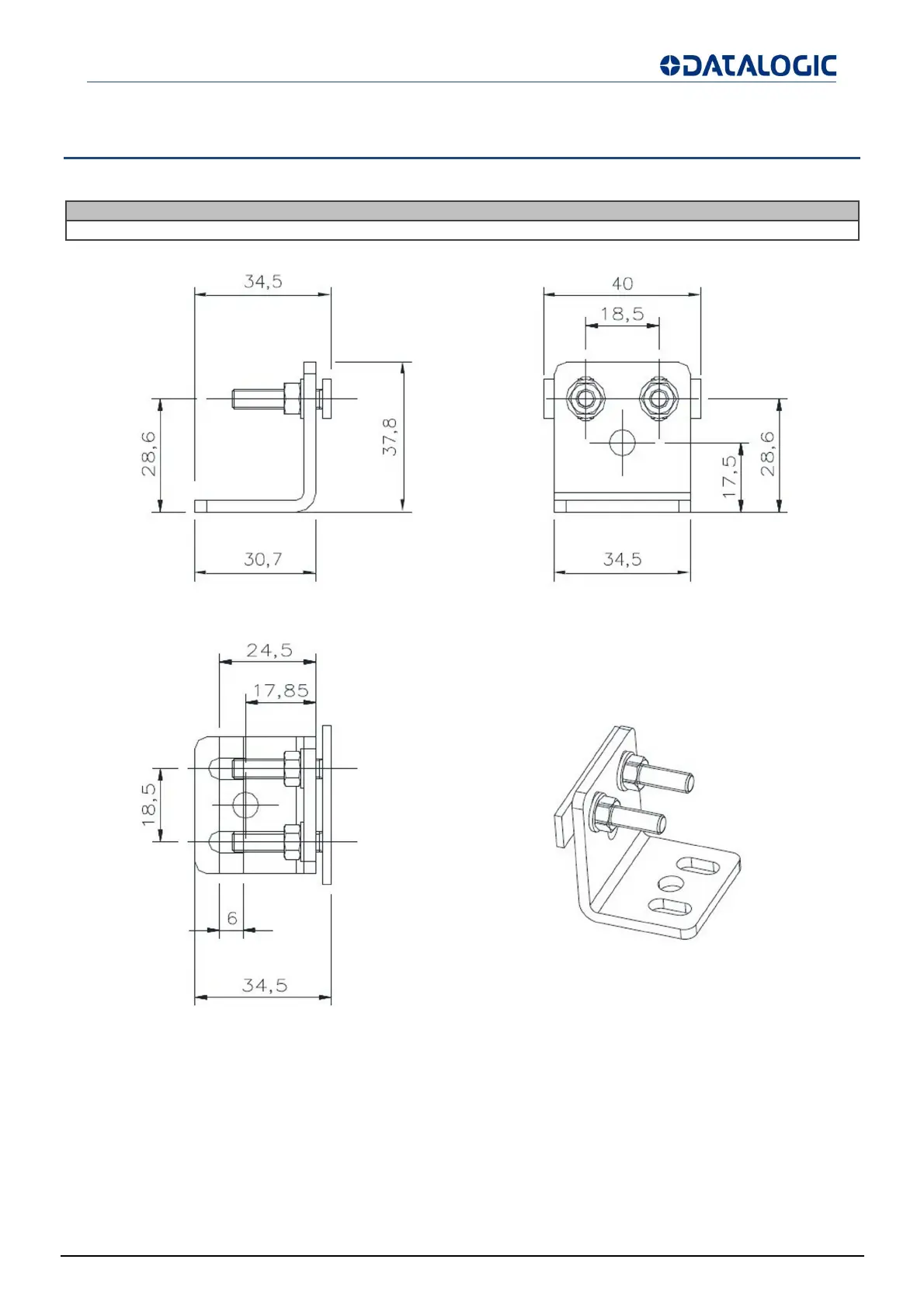
14 INCLUDED ACCESSORIES
Metal angled fixing bracket (ST-KSTD)
MODEL DESCRIPTION
ST-KSTD
A
n
g
led fixin
g
bracket
(
4 pcs kit
)
Fig 43 - Dimensions (mm)

Table of Contents

Related product manuals