EasyManua.ls Logo

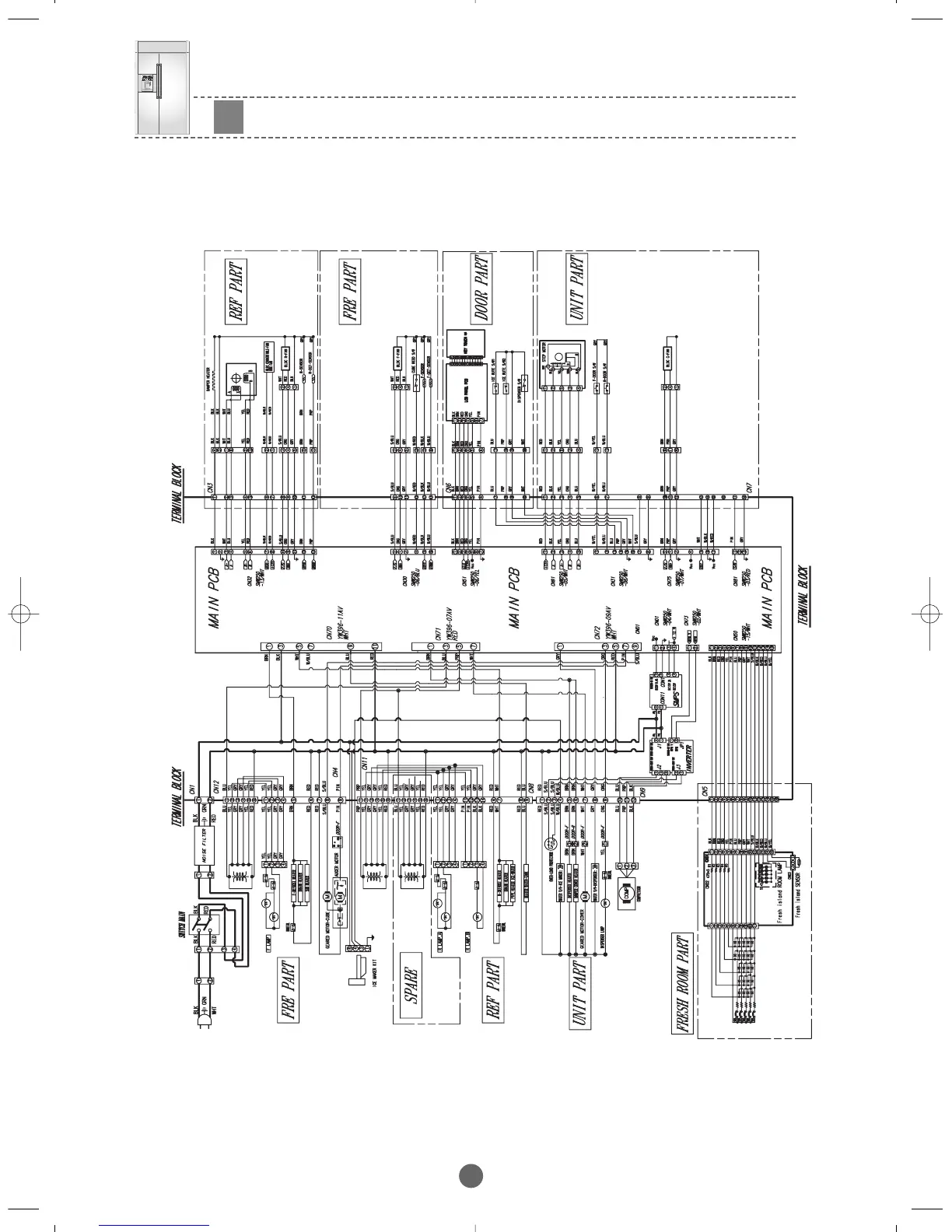
DCS RF48SS - Wiring Diagram

DCS RF48SS
74 pages
Print Icon
To Next Page IconTo Next Page
To Next Page IconTo Next Page
To Previous Page IconTo Previous Page
To Previous Page IconTo Previous Page
Loading...
70
9
WIRING DIAGRAM
BRANDSOURCE-SM(EN) 2007.1.23 10:32 AM 페이지88

Related product manuals