EasyManua.ls Logo

Deif PPU - Additional Operator Panel; Installation of AOP-2

Deif PPU
69 pages
Print Icon
To Next Page IconTo Next Page
To Next Page IconTo Next Page
To Previous Page IconTo Previous Page
To Previous Page IconTo Previous Page
Loading...
PPM Installation Instructions
DEIF A/S Page 54 of 69
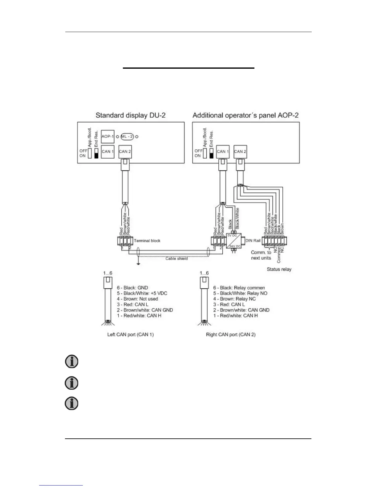
7. Additional operator panel
Installation of AOP-2
Display CANbus cable connection
The cable between the terminal blocks should be shielded twisted pair.
The maximum length of the CANbus line is 200 m.
A DC/DC converter for the DC supply voltage and 2 x 3 m cable with an RJ12
plug in one end and stripped wires in the other end is included in the AOP-2
delivery.

Related product manuals