EasyManua.ls Logo

Delta ASD-B2-1521-B - Kw ~ 3 Kw Models

Delta ASD-B2-1521-B
345 pages
Print Icon
To Next Page IconTo Next Page
To Next Page IconTo Next Page
To Previous Page IconTo Previous Page
To Previous Page IconTo Previous Page
Loading...
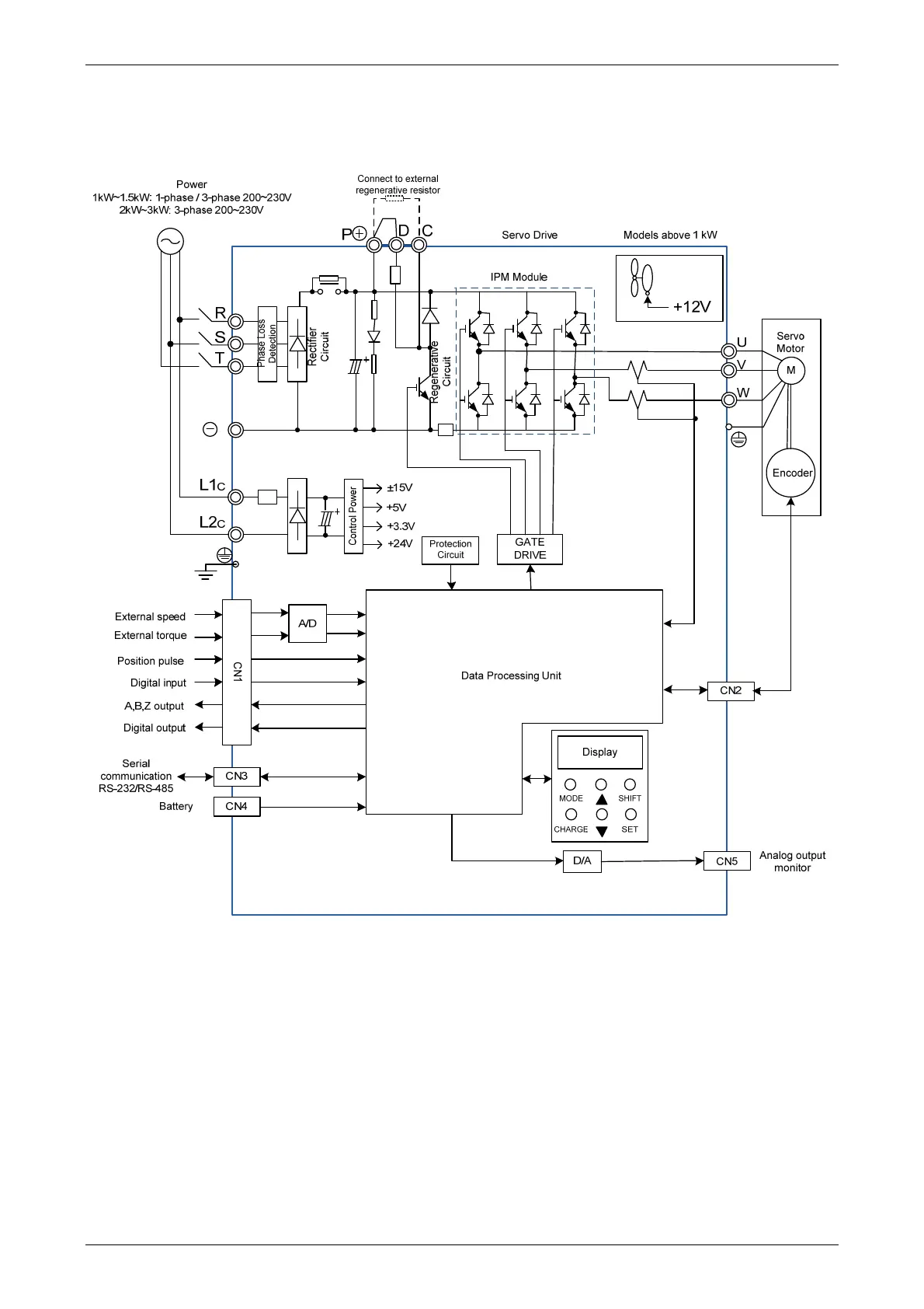
Chapter 3 Wiring ASDA-B2
3-16 Revision May, 2018
3.2.3 1 kW ~ 3 kW Models
(with built-in regenerative resistor and cooling fan)

Table of Contents

Related product manuals