EasyManua.ls Logo

Denon AVR-1709

Denon AVR-1709
148 pages
To Next Page IconTo Next Page
To Next Page IconTo Next Page
To Previous Page IconTo Previous Page
To Previous Page IconTo Previous Page
Loading...
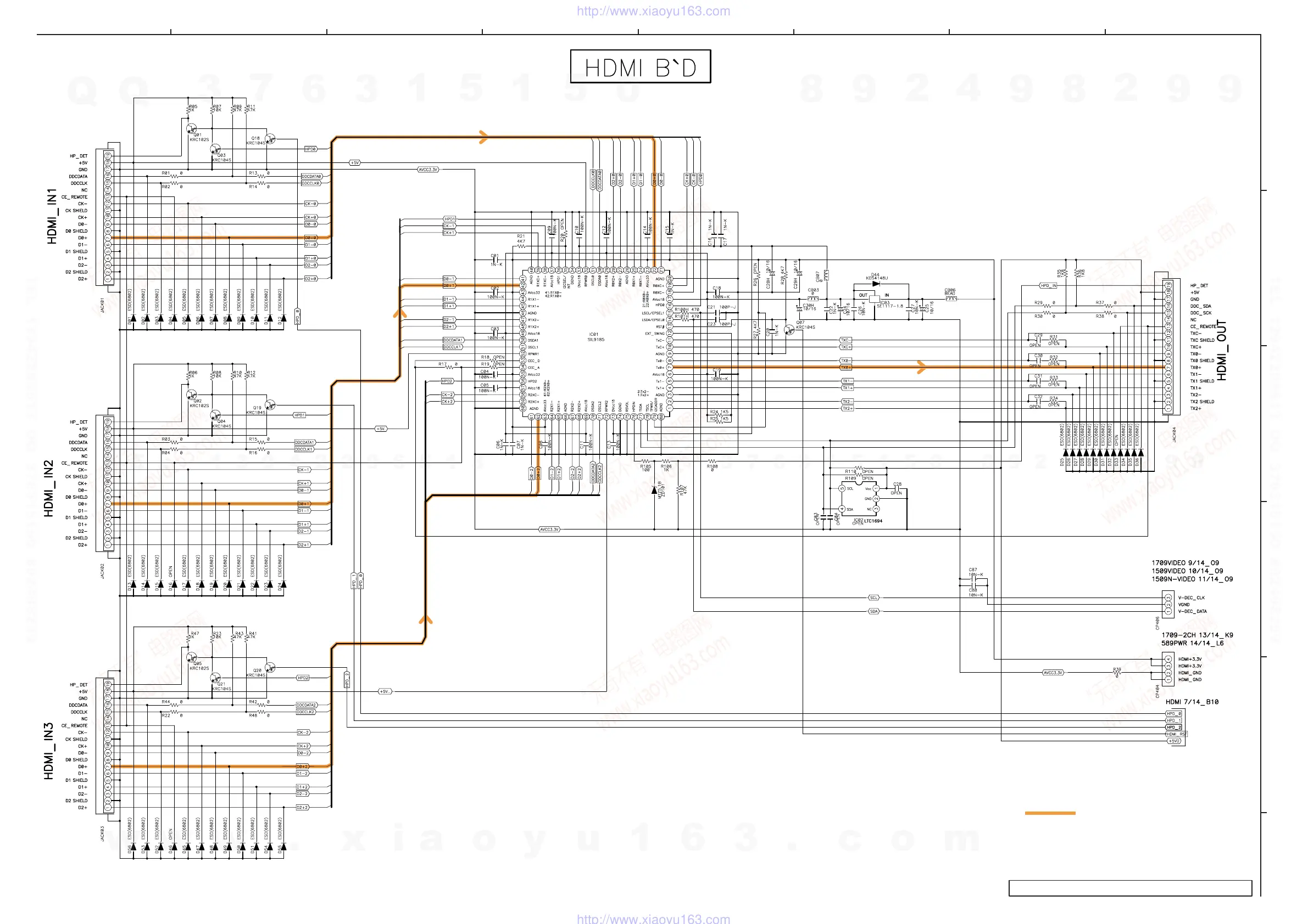
HDMI/TMDS SIGNAL LINE
87654321
A
B
C
D
E
F
AVR-1709/1609/1519/1509/689/589, AVC-1509
SCHEMATIC DIAGRAMS (9/20)
HDMI UNIT (1/3)
w
w
w
.
x
i
a
o
y
u
1
6
3
.
c
o
m
Q
Q
3
7
6
3
1
5
1
5
0
9
9
2
8
9
4
2
9
8
T
E
L
1
3
9
4
2
2
9
6
5
1
3
9
9
2
8
9
4
2
9
8
0
5
1
5
1
3
6
7
3
Q
Q
TEL 13942296513 QQ 376315150 892498299
TEL 13942296513 QQ 376315150 892498299
http://www.xiaoyu163.com
http://www.xiaoyu163.com

Table of Contents

Other manuals for Denon AVR-1709

Related product manuals