EasyManua.ls Logo

Denon DCD-1500AE - FAN8042 Block Diagram and Circuit Details; Output Power Amplifier Circuit Details

Denon DCD-1500AE
88 pages
Print Icon
To Next Page IconTo Next Page
To Next Page IconTo Next Page
To Previous Page IconTo Previous Page
To Previous Page IconTo Previous Page
Loading...
42
DCD-1500AE
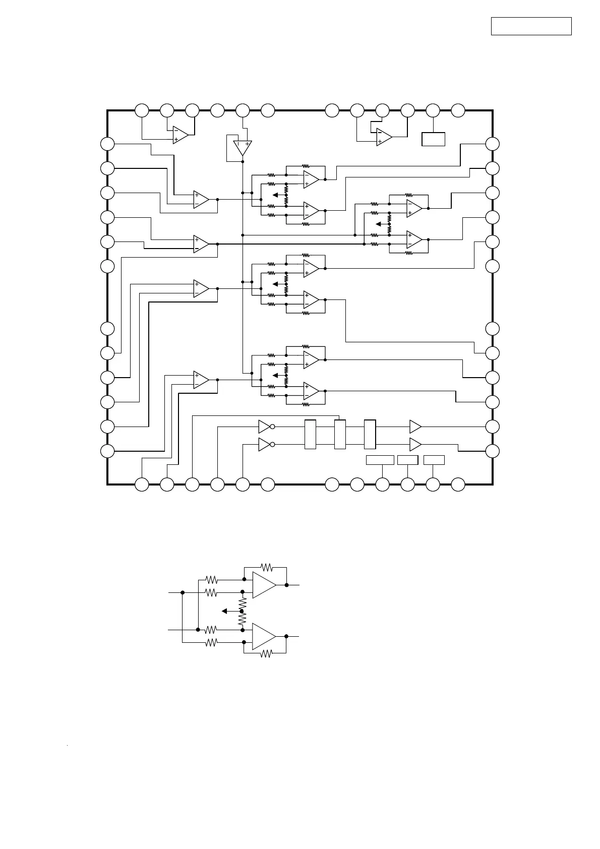
Block Diagram
40 K
10 K
Note.
+
+
40K
10K
Pref
DO+
DO-
D etailed circuit of the output power amp
10K
10K
40 K
40 K
Pref1 is almost PVCC1 / 2
Pref2 is almost PVCC2 / 2
From input opamp
Vref
36
35
34
33
32
30
29
28
27
26
25
DO5+
DO4-
DO3-
DO3+
DO2-
DO2+
31
DO4+
1
2
3
4
5
7
8
9
10
11
12
OUT4IN4-
IN4+
OUT3
IN3-
OUT2
IN2-
IN2+
OUT1
IN1-
6
IN3+
3738394041434445464748
IN1+
OPIN1+
OPIN1-
OPOUT1
SVCC
VREF OPIN2-
OPOUT2
PS PVCC1
DO1+
42
OPIN2+
2423222120181716151413
CTL FWD REV GND TSD-M PVCC2
MUTE123
19
DO5-
DO1-
POWER
SAVE
MUTE123
MUTE4 TSD-M
40K
40K
40K
40K
10K
10K
10K
10K
40K
40K
40K
40K
10K
10K
10K
10
K
40K
40K
40K
40K
10K
10K
10K
10K
40K
40K
40K
40K
10K
10K
10K
10K
D
D
M
S
C
+S
W
GND
GND
GND SGND MUTE4
GND
GND
GND GND
-

Table of Contents

Other manuals for Denon DCD-1500AE

Related product manuals