EasyManua.ls Logo

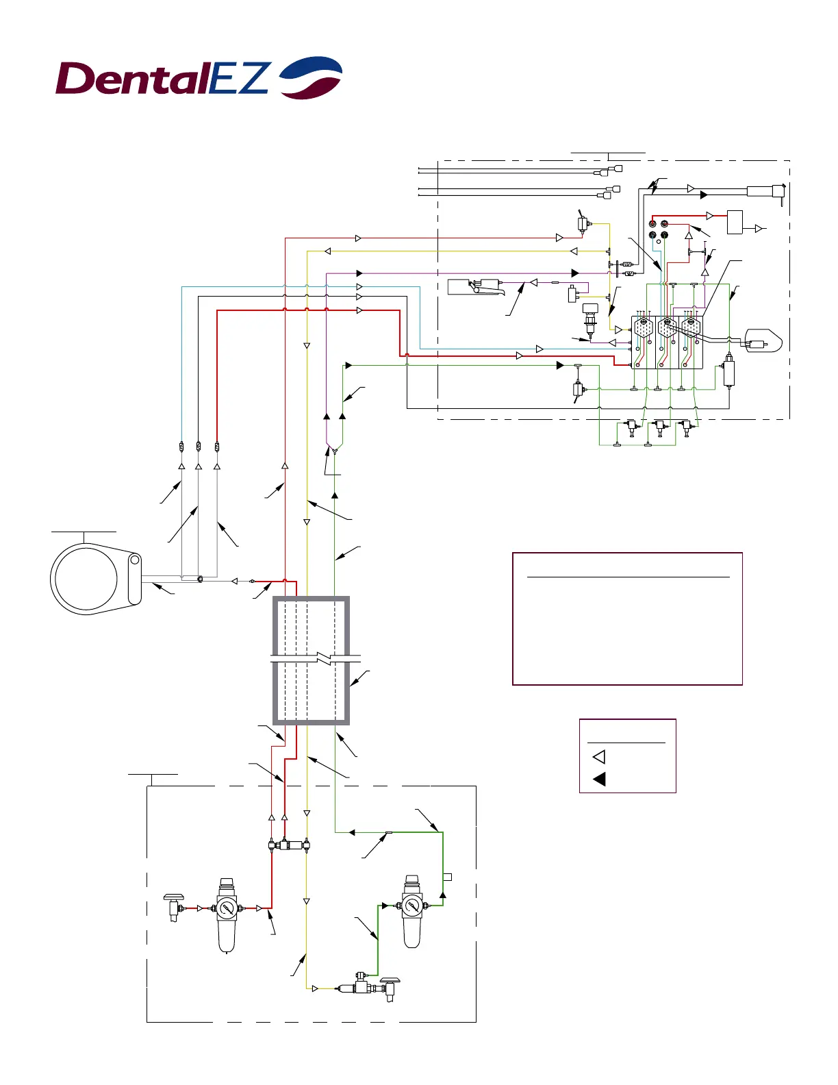
DentalEZ aXcs Series - Tubing Diagram

Default Icon
33 pages
Print Icon
To Next Page IconTo Next Page
To Next Page IconTo Next Page
To Previous Page IconTo Previous Page
To Previous Page IconTo Previous Page
Loading...
Red =Air
Yellow = Signal Air (Master)
Blue = Coolant Air
Green =Water
Black = Signal Air (Coolant Water)
Clear (Purple) = 1/8", 1/4" - Water
LEGEND
AIR
WATER
aXcs
®
Wall/Cabinet Unit
Tubing Diagram
FOOT
CONTROL
1/8" Red
1/8" Clear
1/8" Green
Brake
1/8"
Blue
1/8" Clear
1/8" Green
1/16"Twin Sterling
w
1/8" Blue (Coolant Air)
1/8" Black (Signal Air)
1/4" Red (DriveAir)
1/8" Green
(CoolantWater)
Connect to
1/8" Blue
FromArm
Connect to
1/8" Black
FromArm
Connect to
1/4" Red
FromArm
1/8" Green
1/8" Clear
1/8"Yellow
1/4" Red
1/8" Red
1/8"Yellow
UmbilicalAssembly
1-1/4" Sterling
Air Filter
Regulator
80 P.S.I.
Water Filter
Regulator
40 P.S.I.
Water
Stop
Supply
2540-088
1/4" Red
1/8" Red
1/4" Red
1/8"Yellow
Sterling
QuadTube
1/4" Green
Pilot
Valve
Air Stop
1/8" Green
1/8" Green
1/4" Green
Supply
2717-199BTubing Diagram
February, 2002
COLOR CODE
UTILITY SERVICE
CENTER
FlexArm Lock
DELIVERY HEAD
Flush
Handpiece
Holder
Oil
Collector
Syringe
WireAssembly, Fiber Optics (Black & White)
WireAssembly, Scaler or Curing Light
(Blue & Gray)
Master
Air Gauge
1/8" Clear
(From Cylinder)
1/8"
Yellow
1/4" Red
1/8" Clear
1/8" Red
Water
Control
Block
Water Coolant
AdjustmentValves
3 H.P.
Manifold
1/8"Yellow (Signal Air)

Related product manuals