EasyManua.ls Logo

Dexter Laundry T-650 - Page 37

Dexter Laundry T-650
340 pages
Print Icon
To Next Page IconTo Next Page
To Next Page IconTo Next Page
To Previous Page IconTo Previous Page
To Previous Page IconTo Previous Page
Loading...
37
8514-300-001 REV PR
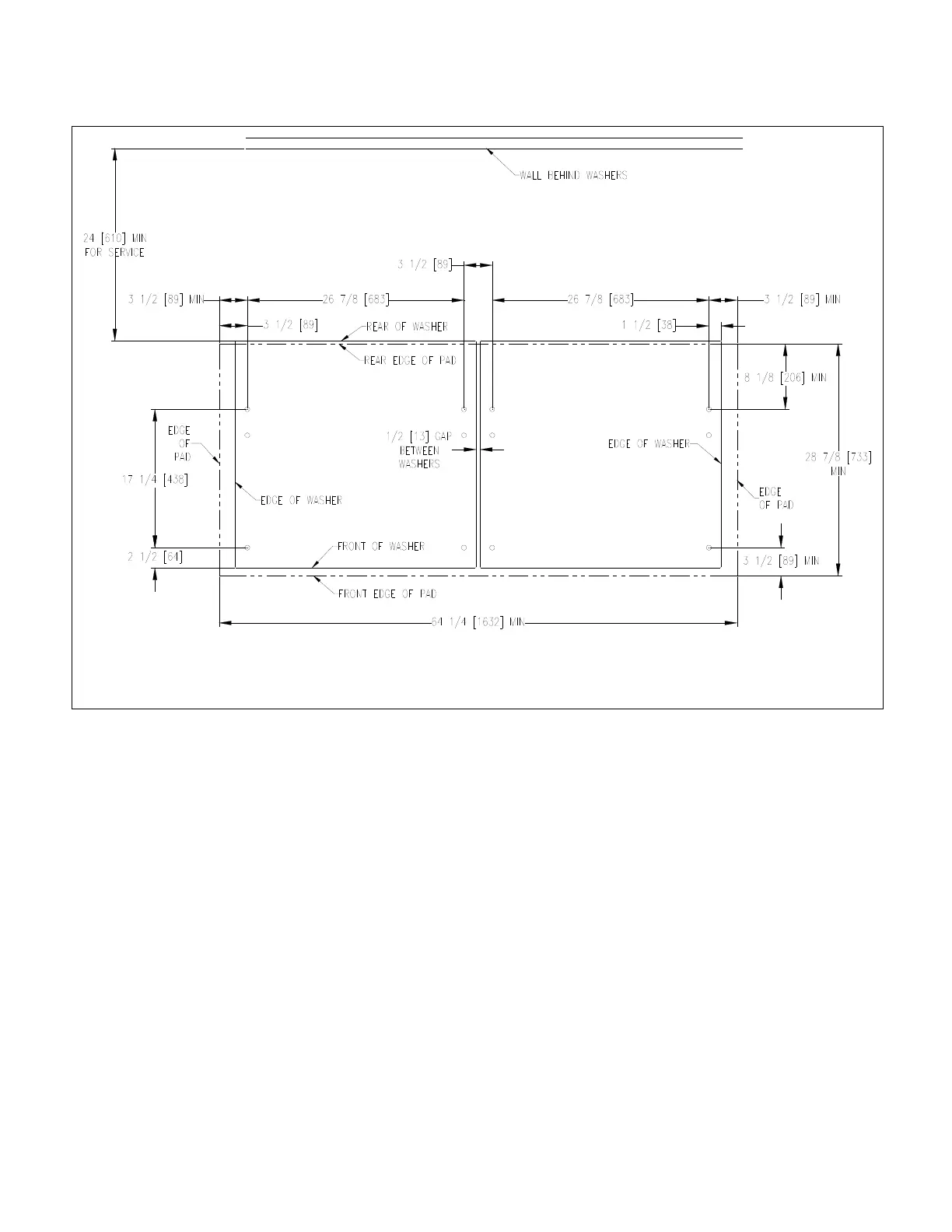
Figure 7-17 T-450 Machine Mounng Detail
SIDE BY SIDE MOUNTING DIMENSIONS
Figure 1-4

Table of Contents

Other manuals for Dexter Laundry T-650

Related product manuals