EasyManua.ls Logo

Diamatic BMG-535 - Control Panel Layout and Device Settings - 230 V; 50 and 60 HZ

Diamatic BMG-535
90 pages
Print Icon
To Next Page IconTo Next Page
To Next Page IconTo Next Page
To Previous Page IconTo Previous Page
To Previous Page IconTo Previous Page
Loading...
MODEL BMG-535 GRINDER
SECTION 8 MAINTENANCE
59
Grinding & Polishing
OPERATING MANUAL
APRIL 2009
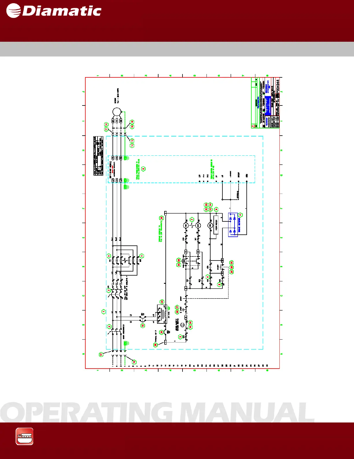
8.2 ELECTRICAL SCHEMATICS - 23OV / 50 AND 60 HZ

Related product manuals