EasyManua.ls Logo

Dimplex CDFI1000-PRO - Diagrama de Cableado

Dimplex CDFI1000-PRO
60 pages
Print Icon
To Next Page IconTo Next Page
To Next Page IconTo Next Page
To Previous Page IconTo Previous Page
To Previous Page IconTo Previous Page
Loading...
18 www.dimplex.com
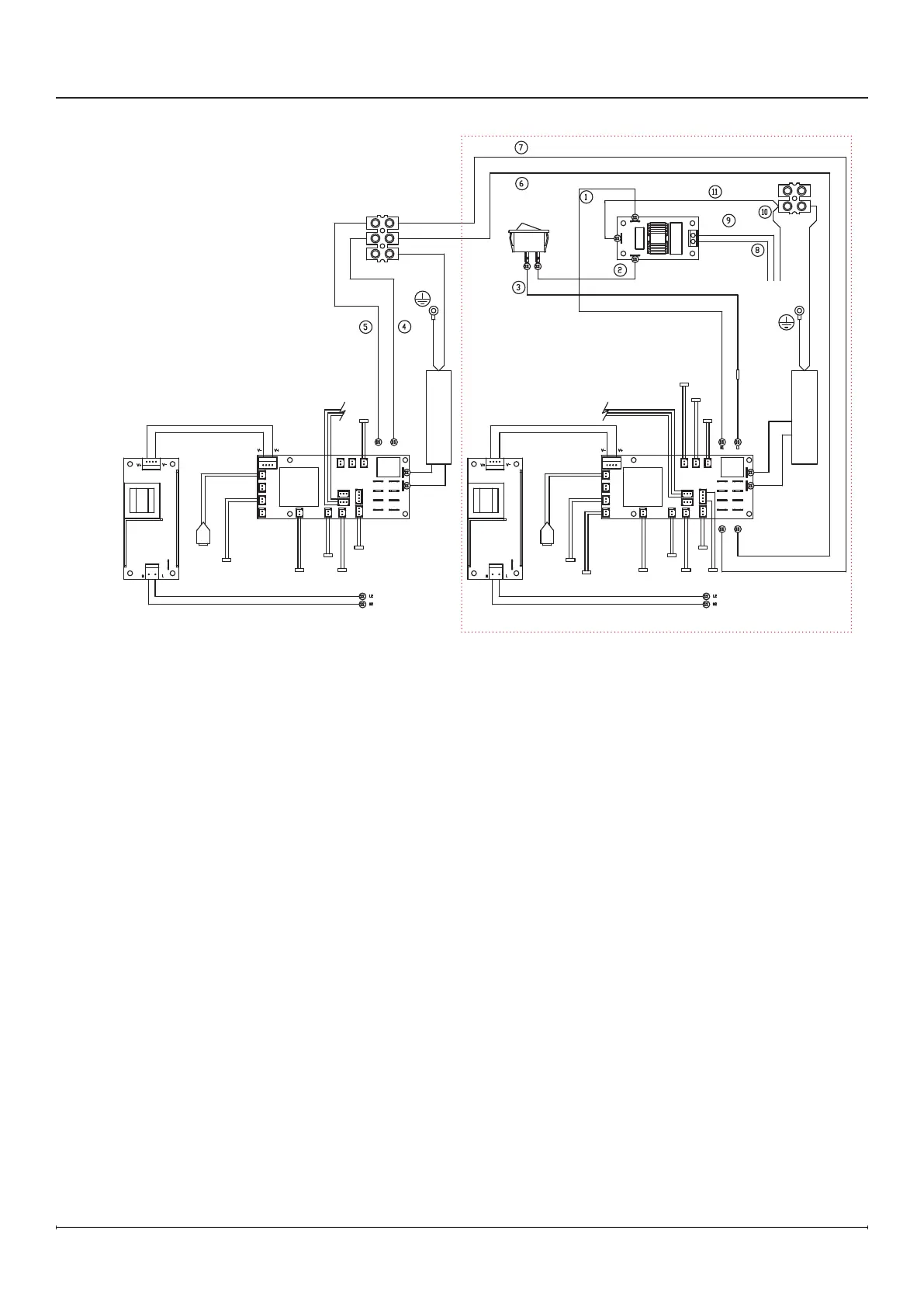
Diagrama de cableado
TRANSDUCER 1
FUEL BED
SOLENOID
FILL1
TRANSDUCER 1
FUEL BED
SOLENOID
MAIN
SOLENOID
FILL1
2 WAY
REED
3 WAY
REED
SWITCH
BOARD
LED
DRIVER
BOARD
2 WAY
REED
BT
RECEIVER
LED
DRIVER
BOARD
RELAYRELAY
N1
N2
N3
N4
L1
N1
24V INPUT 24V INPUT
L1
L2
L3
L4
N1
N2
N3
N4
L1
L2
L3
N3 L3
L4
HEAT
CONTROL PCB
SPEAKER
BLUE
WHITE
BLACK
GREEN / YELLOW
BROWN
DC FAN
MOTOR
DC FAN
MOTOR
COMMUNICATION LINK
ELEMENT
ELEMENT
3 WAY
REED
SWITCH
BOARD
CDFI500-PROCDFI1000-PRO

Table of Contents

Other manuals for Dimplex CDFI1000-PRO

Related product manuals