EasyManua.ls Logo

Dimplex WPM EconPlus - Wärmepumpenmanager WPM Econplus-E; Heat Pump Manager WPM Econplus-E; Gestionnaire de Pompe À Chaleur WPM Econplus-E; Wärmepumpenmanager Heizen; Heat Pump Manager for Heating; Gestionnaire de Pompe À Chaleur Chauffage

Dimplex WPM EconPlus
Print Icon
To Next Page IconTo Next Page
To Next Page IconTo Next Page
To Previous Page IconTo Previous Page
To Previous Page IconTo Previous Page
Loading...
A-VIII
Anhang · Appendix · Annexes
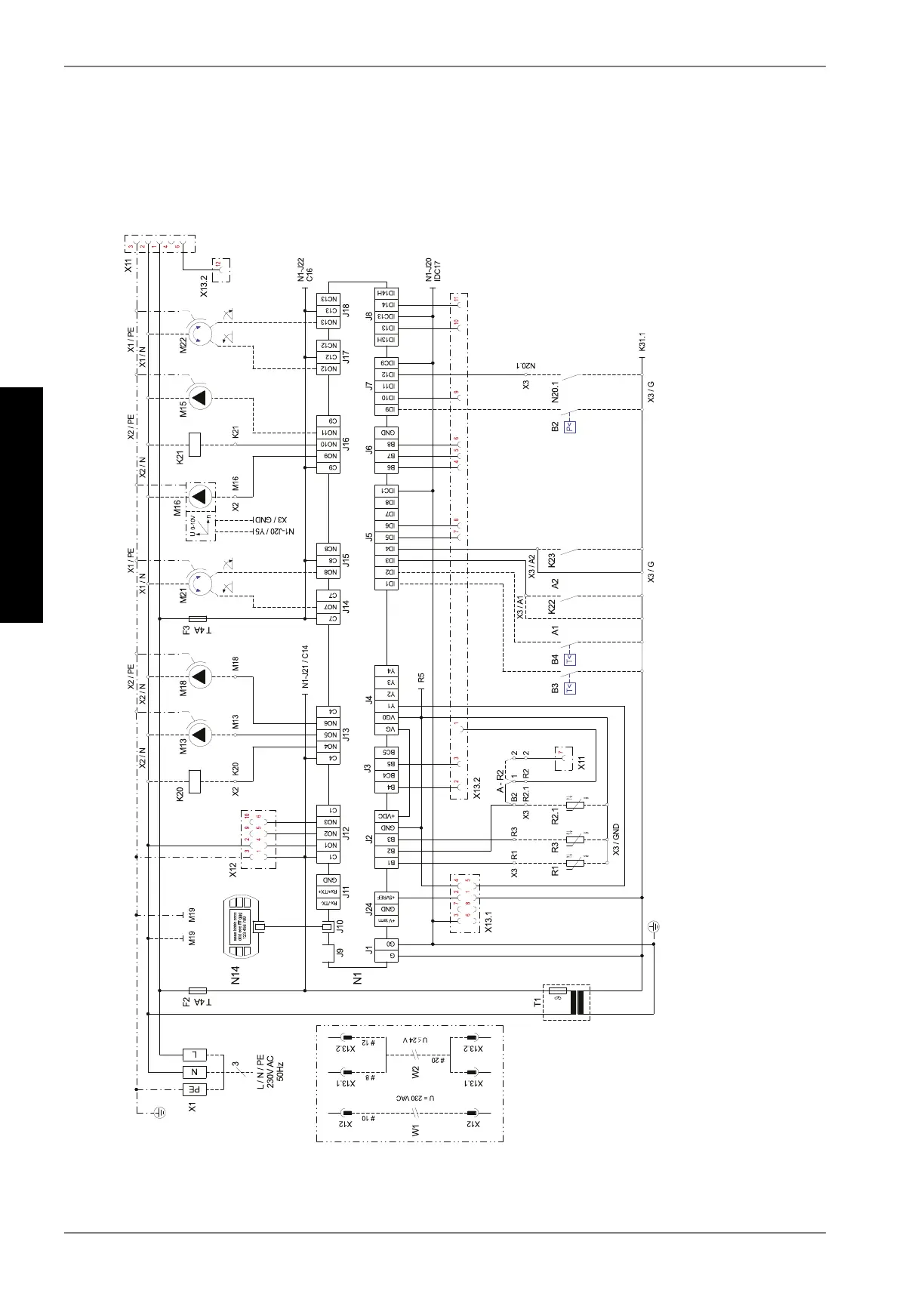
3.2
3.2 Wärmepumpenmanager WPM EconPlus-E / Heat Pump Manager
WPM EconPlus-E / Gestionnaire de pompe à chaleur WPM EconPlus-E
3.2.1 Wärmepumpenmanager Heizen / Heat Pump Manager for Heating / Gestionnaire de
pompe à chaleur chauffage
Abb. / Fig. / Fig. 3.4: Anschlussplan des wandmontierten Wärmepumpenmanagers WPM EconPlus-E /
Circuit diagram of the wall-mounted heat pump manager WPM EconPlus-E /
Schéma de raccordement du gestionnaire de pompe à chaleur mural WPM EconPlus-E

Table of Contents

Other manuals for Dimplex WPM EconPlus