EasyManua.ls Logo

Dimplex WPM EconPlus - Zusatzfunktion des Wärmepumpenmanager Heizen; Additional Function of the Heat Pump Manager for Heating; Fonction Supplémentaire du Gestionnaire de Pompe À Chaleur Chauffage

Dimplex WPM EconPlus
Print Icon
To Next Page IconTo Next Page
To Next Page IconTo Next Page
To Previous Page IconTo Previous Page
To Previous Page IconTo Previous Page
Loading...
A-IX
Anhang · Appendix · Annexes
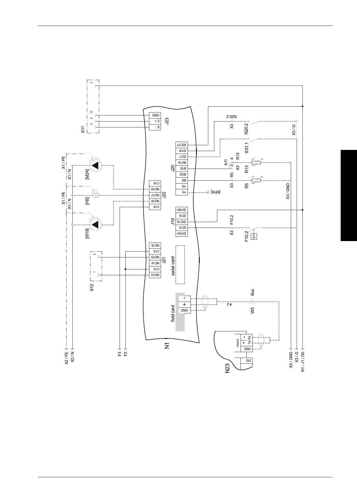
Stromlaufpläne / Circuit Diagrams / Schémas électriques 3.2
3.2.2 Zusatzfunktion des Wärmepumpenmanager Heizen / Additional Function of the
Heat Pump Manager for Heating / Fonction supplémentaire du gestionnaire de
pompe à chaleur chauffage
Abb. / Fig. / Fig. 3.5: Anschlussplan für Zusatzfunktion des wandmontierten Wärmepumpenmanagers WPM EconPlus-E /
Circuit diagram for additional function of the wall-mounted heat pump manager WPM EconPlus-E/
Schéma de raccordement pour la fonction supplémentaire du gestionnaire de pompe à chaleur mural WPM EconPlus-E

Table of Contents

Other manuals for Dimplex WPM EconPlus