EasyManua.ls Logo

DINA SAFEONE DN3PD2 - Example of Application

Default Icon
42 pages
Print Icon
To Next Page IconTo Next Page
To Next Page IconTo Next Page
To Previous Page IconTo Previous Page
To Previous Page IconTo Previous Page
Loading...
8 Example of application
SAFEONE DN3PD2 Manual 31
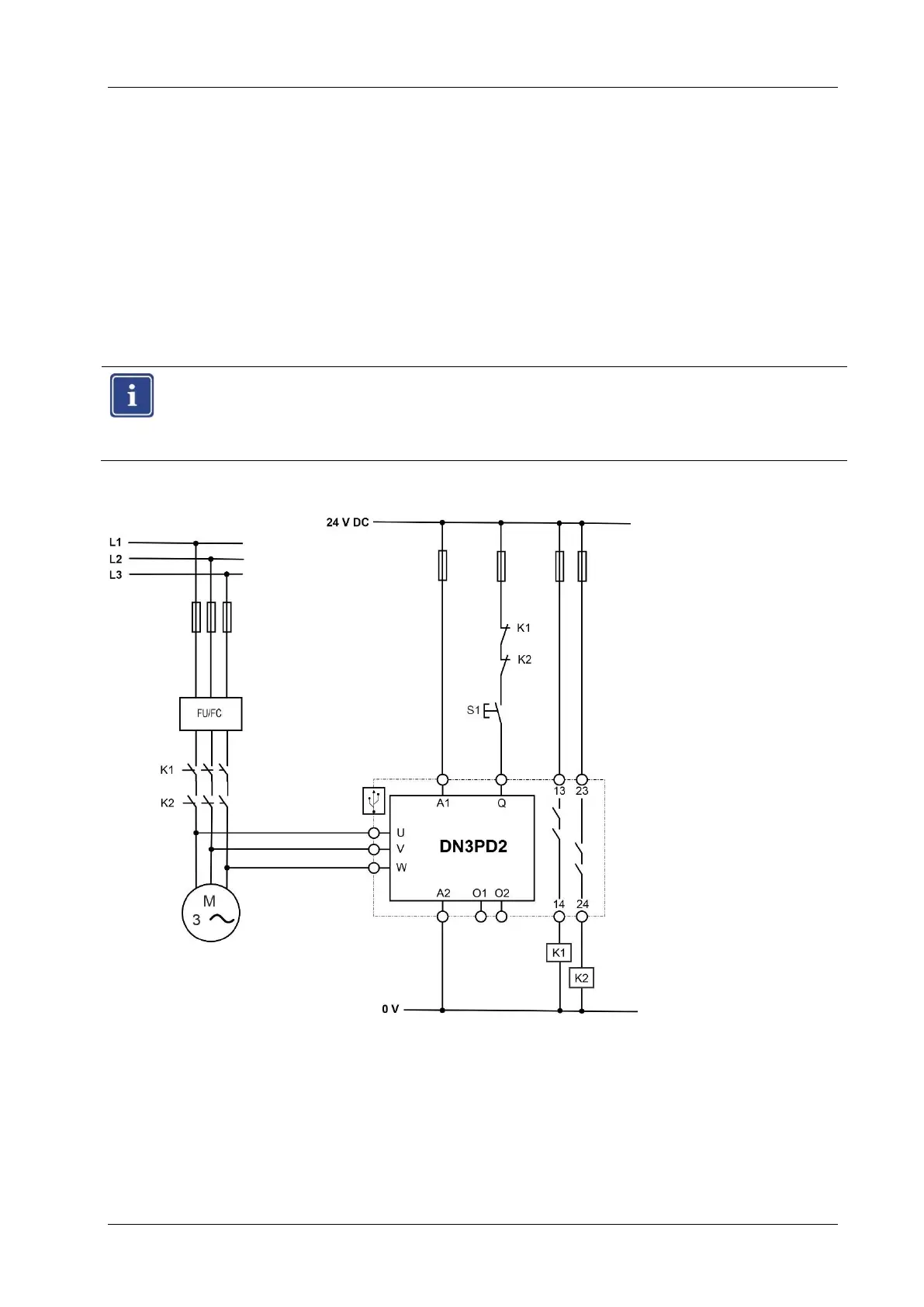
8 Example of application
Speed monitoring of a 3-phase motor
Release of output contacts 13/14, 23/24 if adhered to
o the minimum frequency to be monitored
o the maximum frequency to be monitored
Manually monitored start
Monitoring of external positively guided contactors K1/K2
Note
Make sure that the measurement inputs U, V, W are permanently connected to the
motor windings.
Legend:
S1 manual acknowledgment facility
K1/K2 positively guided contactors
FU/FC frequency converter
M motor