EasyManua.ls Logo

DKS 1812 - 5.2 Phone Line Polarity

Default Icon
63 pages
Print Icon
To Next Page IconTo Next Page
To Next Page IconTo Next Page
To Previous Page IconTo Previous Page
To Previous Page IconTo Previous Page
Loading...
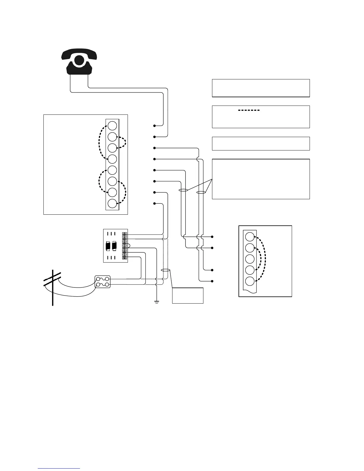
5.2 Phone Line Polarity
C.O. (Phone Company)
C.O. (Phone Company)
Phone In
Phone In
Phone Out
Phone Out
Home
Home
8
6
7
3
1
5
4
2
Bypass
Switch
DC Positive
DC Positive
DC Positive
DC Positive
DC Negative
DC Negative
DC Negative
DC Negative
1812
Terminal
1
3
2
4
5
Phone In
Phone In
Phone Out
Phone Out
Ground
DC Positive
DC Positive
DC Negative
DC Negative
Check polarity on terminals.
Example: set a VOM meter to measure DC volts.
Place the positive lead on 1812 terminal 2 and the
negative lead on 1812 terminal 1. If the meter shows
a positive voltage - OK. If the meter shows a negative
voltage (needle moves off scale to the left), reverse
the wires. Repeat this process to check other wire
pairs on bypass switch and 1812 terminal strip.
Dashed lines are existing circuit board
connections and are shown for clarification purposes
only. DO NOT add any additional jumpers to wiring
or terminals.
When connecting multiple 1812 systems, maintain
common polarity on all connections.
When troubleshooting 1812 operational problems,
check phone line polarity. Crossed polarities can
affect system operation.
Ring
Tip
Ring
Tip
Gnd
Gnd
Surge
Suppresser
White/Blue
Blue/White
Central Office (C.O.)
Demarcation Device
Green
Red
Wiring if surge
suppresser is
not used.
Earth
Ground
White/Blue
Blue/White
Page 54 1812-162-B-6-09

Table of Contents

Related product manuals