EasyManua.ls Logo

Dolphin 99EX - Parts and Functions; Front Panel

Default Icon
192 pages
Print Icon
To Next Page IconTo Next Page
To Next Page IconTo Next Page
To Previous Page IconTo Previous Page
To Previous Page IconTo Previous Page
Loading...
15 - 2
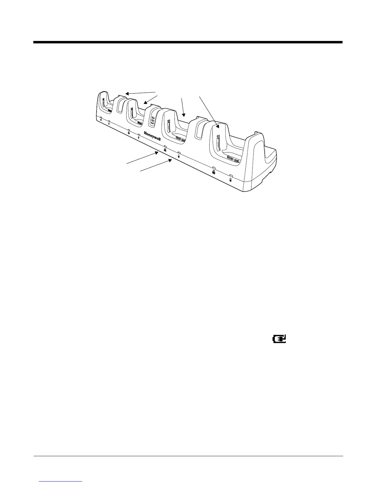
Parts and Functions
Front Panel
Terminal Wells
The base contains four terminal wells. Each well has its own dedicated Power/Docking LED
and Charging LED indicator.
Power/Dock LEDs
The Power/Dock LED indicates if the ChargeBase has power and if the terminal is properly
seated in the terminal well. Each terminal well has its own dedicated Power/Dock LED.
Charge LEDs
Each terminal well has a dedicated Charge LED located on the front of the base. When a
Dolphin is docked in a terminal well, the Charge LED illuminates green to indicate power is
being applied to the Dolphin. The Battery Icon in the Dolphin window indicates the
terminal is running on external power. If a battery pack is installed, the battery is charging in
the background.
When the Dolphin is removed from the base, the battery icon indicates the charge level of the
main battery pack, see Icons in the Title Bar on page 2-5. For additional information on how to
check the power levels of the main battery pack and the backup battery, while the terminal is
docked, see Checking Battery Power on page 3-16.
For details on how to charge the terminal using the ChargeBase, see Charging the Main
Battery on page 15-4.
This color means…
Red The ChargeBase has power but no terminal is docked.
Green The ChargeBase has power and the terminal is properly seated in the well facilitating
communication between the base and terminal
Power/Dock LED
Charge LED
Terminal Wells

Table of Contents