EasyManua.ls Logo

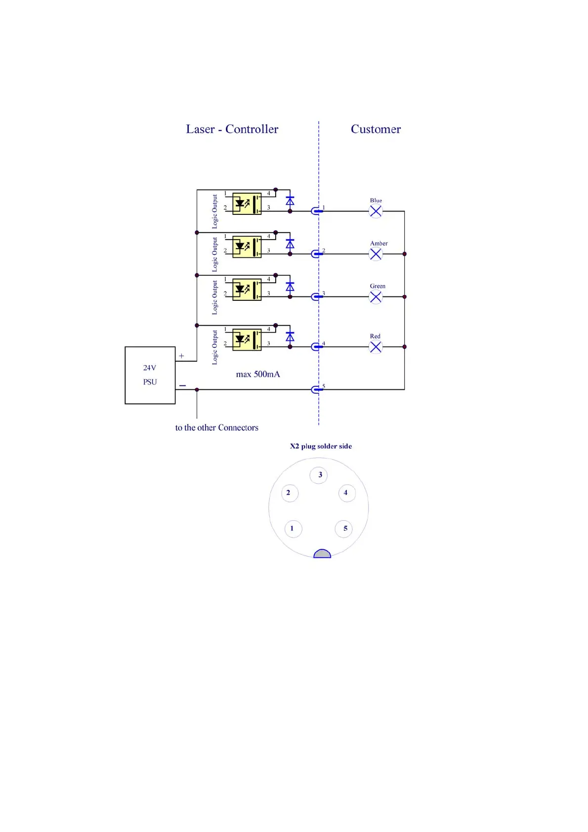
Domino D320i Red - X2 Connector Schematic - Beacons

Default Icon
224 pages
Print Icon
To Next Page IconTo Next Page
To Next Page IconTo Next Page
To Previous Page IconTo Previous Page
To Previous Page IconTo Previous Page
Loading...
INSTALLATION INSTRUCTIONS
2-16 L025317 Issue 5 July 2014
X2 Connector Schematic - Beacons

Table of Contents

Related product manuals