EasyManua.ls Logo

Domino D320i Red - X4 Connector Schematic - Machine Control

Default Icon
224 pages
To Next Page IconTo Next Page
To Next Page IconTo Next Page
To Previous Page IconTo Previous Page
To Previous Page IconTo Previous Page
Loading...
INSTALLATION INSTRUCTIONS
2-20 L025317 Issue 5 July 2014
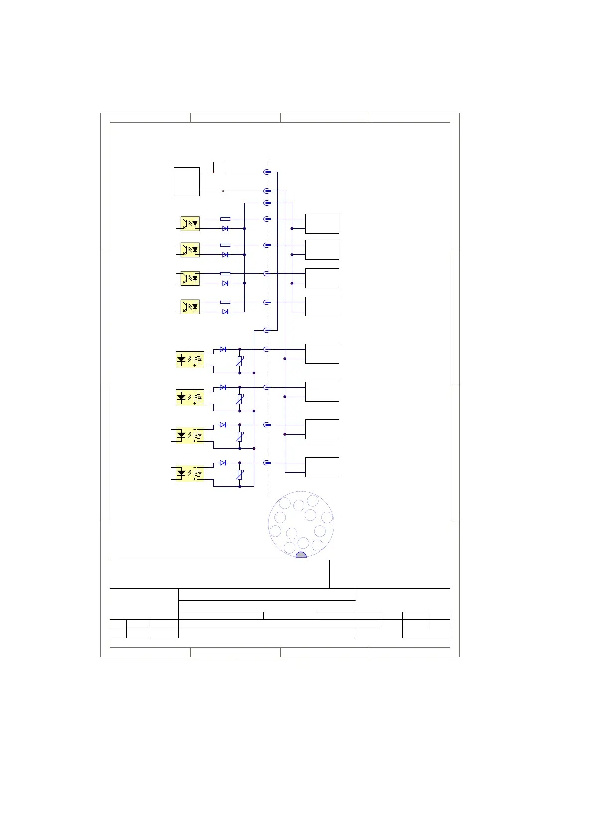
X4 Connector Schematic - Machine Control
1
1
2
2
3
3
4
4
D D
C C
B B
A A
Date Name Date Name
Ind. Chan.No. Changing Processed Reviewed
Title:
Project:
No.: 190010
X4 Machine Interface from DIB 1.53
D-Com Interface Documentation
D_Com_plugs_X4_MA-1_06-190010e.SchDoc
Date
14.05.14 HK
File:
Version: e06 Page of Size: A411
D-22547 Hamburg
Germany
Sator Laser GmbH
Fangdieckstraße 75a
© Sator Laser GmbH
Domino Group
Laser - Controller
A
D
B
J
K
Customer
L
M
PSU
24V
+
---
to the other Connectors
E
H
F
G
OPTOKO
C
LASER_START
4k4
R120
VDR: CT1210K25K/VDR25V
1
2 4
6
U24
AQV112KLA
1
2 4
6
U25
AQV112KLA
1
2 4
6
U26
AQV112KLA
R123
R126
floating
OPTOKO
OPTOKO
OPTOKO
Logic Input
MARK_CONTROL
Logic Input
PRINT_GO
Logic Input
PROG_IN
Logic Input
PRINTER_READY
Logic Output
PRINTER_BUSY
Logic Output
COMPILE_OK
Logic Output
+
-
+
-
Input
Output
PLC
PLC
+
-
Output
PLC
+
-
Output
PLC
+
-
Output
PLC
+
-
Input
PLC
+
-
Input
PLC
1.01 A: Plug pinout added 29.10.08 HK
1.02 B: "Project Run" renamed to "Laser Start". Input Resitances added 29.04.09 SW
c03: Add output X4M 21.09..12 HK
d04: corr. input resistors 22.10.12 HK d05 corr footer address; complete
history box 13.11.12 HK
e05: corr. diodes at dig. inputs 14.05.14 HK
D
A
B
C
E
H
L
J
F
G
K
M
X4 female plug solder side
(DC60V/0,5A)
1
2 4
6
U10
AQV112KLA
R39
X4M
Logic Output
+
-
Input
PLC
4k4
4k4
4k4
D
omino Laser GmbH
F
angdieckstraße 75a
D
-22547 Hamburg
Germany
© Domino Laser GmbH

Table of Contents

Related product manuals