EasyManua.ls Logo

Doosan D439E - Page 114

Doosan D439E
366 pages
Print Icon
To Next Page IconTo Next Page
To Next Page IconTo Next Page
To Previous Page IconTo Previous Page
To Previous Page IconTo Previous Page
Loading...
D439E Service Manual 2. Engine Mechanical System (D439E)
112
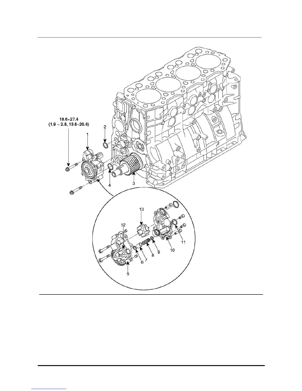
1. Oil pump assembly 2. O-ring
3. Crankshaft gear 4. O-ring
5. Oil pump case assembly 6. Snap ring
7. Relief valve 8. Spring
9. Seat 10. Oil pump cover
11. O-ring 12. Drive gear
13. Driven gear
Tightening Torque : Nm (kgf.m, lb-ft)

Table of Contents

Related product manuals