EasyManua.ls Logo

Doosan D439E - ECU Circuit Diagram

Doosan D439E
366 pages
Print Icon
To Next Page IconTo Next Page
To Next Page IconTo Next Page
To Previous Page IconTo Previous Page
To Previous Page IconTo Previous Page
Loading...
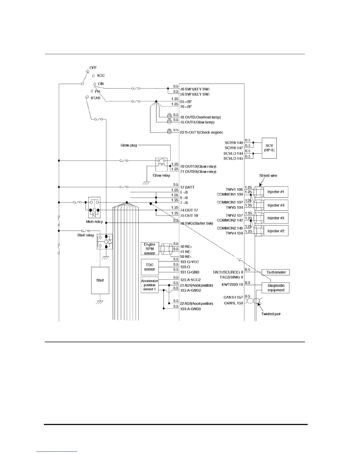
D439E Service Manual 4. Fuel system
175
ECU Circuit Diagram

Table of Contents

Related product manuals