EasyManua.ls Logo

Doosan D439E - Alternator

Doosan D439E
366 pages
Print Icon
To Next Page IconTo Next Page
To Next Page IconTo Next Page
To Previous Page IconTo Previous Page
To Previous Page IconTo Previous Page
Loading...
D439E Service Manual 3. Engine Electrical System (D439E)
136
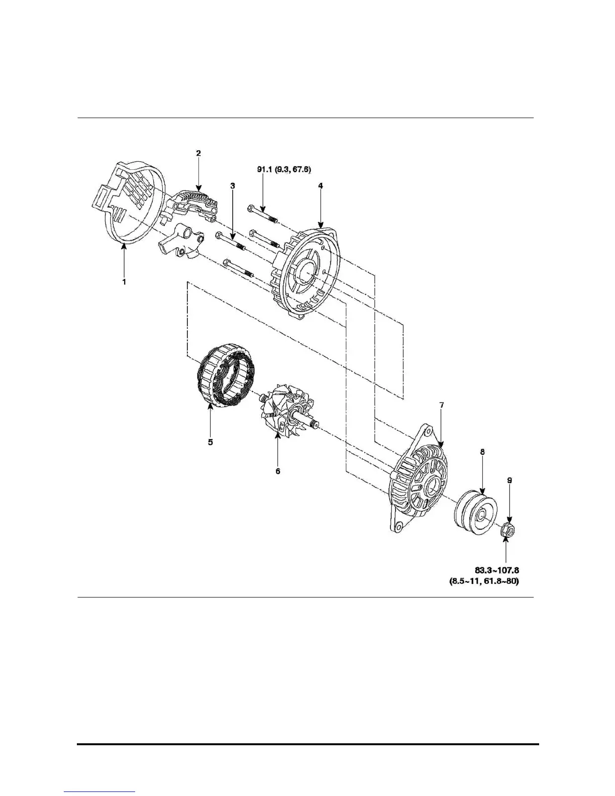
Alternator
Components
1. Rear cover
2. Commutator assembly
3. Rear bracket mounting bolt
4. Rear bracket
5. Stator
6. Rotor
7. Front bracket
8. Alternator pulley
9. Alternator pulley nut
Tightening Torque : Nm(kgf.m, lb-ft)

Table of Contents

Related product manuals